Voltage Regulator Building Progress Update
-
AdminJeff
Topic author
Voltage Regulator Building Progress Update
Progress update:
The Laser metal cutter is FIXED! I had to order replacements for several burned out parts in the servo control board, but this old man has't lost his touch when it comes to fixing power supplies...
Cutting parts today and tomorrow. Here are some pretty cool Videos of the laser metal cutter in action. Its cutting 16 gauge test parts but is capable of cutting up to 1" thick.
https://www.youtube.com/watch?v=4xTzbsU ... p=gAQBiAQB
There are also some videos showing the actual voltage regulator in action.
I'm inching closer and closer every day! I've found about 37 cutout tops so far, but I need a LOT MORE!
Jeff
The Laser metal cutter is FIXED! I had to order replacements for several burned out parts in the servo control board, but this old man has't lost his touch when it comes to fixing power supplies...
Cutting parts today and tomorrow. Here are some pretty cool Videos of the laser metal cutter in action. Its cutting 16 gauge test parts but is capable of cutting up to 1" thick.
https://www.youtube.com/watch?v=4xTzbsU ... p=gAQBiAQB
There are also some videos showing the actual voltage regulator in action.
I'm inching closer and closer every day! I've found about 37 cutout tops so far, but I need a LOT MORE!
Jeff
-
Jerry VanOoteghem
- Posts: 4366
- Joined: Sun Jan 06, 2019 4:06 pm
- First Name: Jerry
- Last Name: Van
- Location: S.E. Michigan
Re: Voltage Regulator Building Progress Update
Curious... As someone who has zero experience in this area, how does one go about making, or having made, circuit boards such as those? Do you design the board, then have a company produce the boards for you? Do you solder each component to the board yourself, or does it come supplied that way?
-
AdminJeff
Topic author
Re: Voltage Regulator Building Progress Update
All of the above. You start with a schematic, turn that into a circuit board, get them produced offshore and in this case I populate the boards. At some point I'll be converting to SMD (SURFACE MOUNT) and then have the fab house produce them.Jerry VanOoteghem wrote: ↑Thu Aug 17, 2023 2:24 pmCurious... As someone who has zero experience in this area, how does one go about making, or having made, circuit boards such as those? Do you design the board, then have a company produce the boards for you? Do you solder each component to the board yourself, or does it come supplied that way?
The REALLY exciting news is I just got back from the laser cutting guy and pressed my first set of bases. They literally came out perfect. The old Ford Cutout cans fit perfectly. This is a VERY challenging part to reproduce. The angles are complex, and everything has to line up just right. I must have made a dozen changes to the deep draw die set I made.
Tomorrow I'll be cutting a few hundred copies. There really is light at the end of the tunnel, and it's a looong tunnel!
Jeff
-
John E. Guitar
- Posts: 531
- Joined: Sun Jan 06, 2019 2:52 pm
- First Name: John
- Last Name: Guitar
- * REQUIRED* Type and Year of Model Ts owned: 1926 Touring, 1924 Tourer
- Location: Ulladulla
- Board Member Since: 2012
Re: Voltage Regulator Building Progress Update
Looks good, can we see photos of the die forming process?
-
AdminJeff
Topic author
Re: Voltage Regulator Building Progress Update
Coming soon! It's been by far the most difficult mechanical piece in this project. Tooling often is. My prototype works perfectly and will get the first batch completed, but I'm now designing a more permanent, precise & easier to use version we will cut in the laser cutter over the coming weeks.John E. Guitar wrote: ↑Sun Aug 20, 2023 8:39 amLooks good, can we see photos of the die forming process?
Jeff
-
AdminJeff
Topic author
Re: Voltage Regulator Building Progress Update
Its been 10 days since my last update and huge progress has been made. I got the cutout bases formed and Zinc plated today. I picked them up from the laser cutter and had a helper here today and was able to complete 100 of them in 2 hours. I finally upgraded my press with air actuated hydraulics - what took me so long to do that????
.
Deep draw die tooling I made.
. This forms the base of the cutout can. This was by far the most complicated part of all this. it's an odd shape, but I nailed it. Unlike "other" cutouts, mine slides onto the generator nut and the 2 mounting screws perfectly. I must have put 100 hours into getting this part exactly right. The original Ford cutout top fits over it and has a nice snug interference fit. I also got a spot welder to fully secure it, and that also works really well. (I STILL need more old cutouts!)
.
Zinc - I'm very happy with the final result - I got a "Copy Cad" kit from Caswell Plating Co. to do just enough of these to fulfill the orders I have now. Next up is the battery and generator tabs laser cutting tomorrow and then zinc plating those. The other 1000 sets will get sent to MI for Zinc plating. I found a really good and very reasonable outfit that will do all my plating work at scale.
Uline Shipping boxes and Brother Postage label printer arrived today and I just shipped all the orders I've gotten for plain cutouts (I had enough parts from all my test cuts to build those). I must say, that felt good!
If you know anyone who might have a stock of old cutouts, please let me know!!! jeff @ modeltstarters.com
.
Deep draw die tooling I made.
. This forms the base of the cutout can. This was by far the most complicated part of all this. it's an odd shape, but I nailed it. Unlike "other" cutouts, mine slides onto the generator nut and the 2 mounting screws perfectly. I must have put 100 hours into getting this part exactly right. The original Ford cutout top fits over it and has a nice snug interference fit. I also got a spot welder to fully secure it, and that also works really well. (I STILL need more old cutouts!)
.
Zinc - I'm very happy with the final result - I got a "Copy Cad" kit from Caswell Plating Co. to do just enough of these to fulfill the orders I have now. Next up is the battery and generator tabs laser cutting tomorrow and then zinc plating those. The other 1000 sets will get sent to MI for Zinc plating. I found a really good and very reasonable outfit that will do all my plating work at scale.
Uline Shipping boxes and Brother Postage label printer arrived today and I just shipped all the orders I've gotten for plain cutouts (I had enough parts from all my test cuts to build those). I must say, that felt good!
If you know anyone who might have a stock of old cutouts, please let me know!!! jeff @ modeltstarters.com
-
John E. Guitar
- Posts: 531
- Joined: Sun Jan 06, 2019 2:52 pm
- First Name: John
- Last Name: Guitar
- * REQUIRED* Type and Year of Model Ts owned: 1926 Touring, 1924 Tourer
- Location: Ulladulla
- Board Member Since: 2012
Re: Voltage Regulator Building Progress Update
That looks great!
Is the V cutout to help in the metal forming process?
Is the V cutout to help in the metal forming process?
-
AdminJeff
Topic author
Re: Voltage Regulator Building Progress Update
The “V” bends up and is used for the ground connection.
-
AdminJeff
Topic author
Re: Voltage Regulator Building Progress Update
update: All cutout enclosure parts are cut, formed, and the Zinc/chromate plating is finished using the Caswell Plating kit for the first batch of 50 cutout enclosures. I just mailed off 450 additional sets of bases, generator and battery tabs to be Zinc plated by a commercial outfit in MI. I'd be here plating for a year if I had to do all 500 myself.
Tomorrow I'll finish putting the circuit board on the base, testing them and then packing and shipping them. I will likely get the first dozen shipped tomorrow. The rest on Friday.
Its been quite a journey, and the light at the end of the tunnel keeps getting brighter. I severely underestimated just how much work it would take to replicate the Cutout enclosures. Breaking it down into manageable tasks really helped. Thankfully all that is mostly behind me now.
Jeff
Tomorrow I'll finish putting the circuit board on the base, testing them and then packing and shipping them. I will likely get the first dozen shipped tomorrow. The rest on Friday.
Its been quite a journey, and the light at the end of the tunnel keeps getting brighter. I severely underestimated just how much work it would take to replicate the Cutout enclosures. Breaking it down into manageable tasks really helped. Thankfully all that is mostly behind me now.
Jeff
-
Allan
- Posts: 7101
- Joined: Sun Jan 06, 2019 7:21 pm
- First Name: Allan
- Last Name: Bennett
- * REQUIRED* Type and Year of Model Ts owned: 1912 van, 1917 shooting brake, 1929 roadster buckboard, 1924 tourer, 1925 barn find buckboard, 1925 D &F wide body roadster, 1927LHD Tudor sedan.
- Location: Gawler, Australia
Re: Voltage Regulator Building Progress Update
Excellent work. Perseverance certainly pays off in the long run. I have a need for two units. I have original covers, but it seems silly to ship them, only to have them come all the way back. How difficult would it be to pack them sans covers? Rather than spot weld the covers on I could use soft solder in a couple of spots.
Allan from down under.
Allan from down under.
-
AdminJeff
Topic author
Re: Voltage Regulator Building Progress Update
Happy to! It would probably be better if you tapped a couple of screws to hold the tops in.
Email me at Jeff at modeltstarters.com.
Jeff
Email me at Jeff at modeltstarters.com.
Jeff
-
Don ellis
- Posts: 384
- Joined: Sun Jan 06, 2019 8:51 pm
- First Name: Don
- Last Name: Ellis
- * REQUIRED* Type and Year of Model Ts owned: 1911,1917,23,27
- Location: Julian nc
Re: Voltage Regulator Building Progress Update
where do i find the video's of the amp meter while the car is running ?
-
AdminJeff
Topic author
Re: Voltage Regulator Building Progress Update
-
Moxie26
- Posts: 2019
- Joined: Sun Jan 06, 2019 8:20 pm
- First Name: Robert
- Last Name: Jablonski
- * REQUIRED* Type and Year of Model Ts owned: 1926 Runabout
- Location: New Jersey
- MTFCA Life Member: YES
- Board Member Since: 1999
Re: Voltage Regulator Building Progress Update
Very satisfied with your expert work on generators and regulators. Thanks !!
-
fireheadman
- Posts: 120
- Joined: Fri Aug 08, 2025 1:26 pm
- First Name: Ben
- Last Name: Piraro
- * REQUIRED* Type and Year of Model Ts owned: 1911 Model-T Pie Wagon
- Location: Castle Rock, CO
Re: Voltage Regulator Building Progress Update
Have been trying to get ahold of Jeff on this.... (left a few messages). Maybe he is out of the office this week?
I purchased a 12v voltage regulator... it looks really nice!
I got it mounted properly, but I can't seem to locate a wiring diagram to know exactly where the inline fuse is supposed to be installed? It does mention a couple locations.
The brochure shows it with a blue wire, but I not really wanting to risk the installation incase his photo isn't using the same blue wire I have.
It is odd there are not any installation instructions on their website either.
Anyone have some photos or diagrams of where the fuse is supposed to be installed at?
I'd rather not blue smoke anything from assuming.
Thanks
I purchased a 12v voltage regulator... it looks really nice!
I got it mounted properly, but I can't seem to locate a wiring diagram to know exactly where the inline fuse is supposed to be installed? It does mention a couple locations.
The brochure shows it with a blue wire, but I not really wanting to risk the installation incase his photo isn't using the same blue wire I have.
It is odd there are not any installation instructions on their website either.
Anyone have some photos or diagrams of where the fuse is supposed to be installed at?
I'd rather not blue smoke anything from assuming.
Thanks
Member: Mile High Pedal Pushers - Denver, Colorado Chapter
https://www.youtube.com/watch?v=e5FPWnxG_9w
https://www.youtube.com/watch?v=e5FPWnxG_9w
-
AdminJeff
Topic author
Re: Voltage Regulator Building Progress Update
Ben, I'm sorry... on infinite hold with Fedex.
you insert the fuse wherever your car takes is main power from. on some cars its the starter foot switch (thats how it was originally wired).
On others it comes from the positive terminal of the battery.
Jeff
you insert the fuse wherever your car takes is main power from. on some cars its the starter foot switch (thats how it was originally wired).
On others it comes from the positive terminal of the battery.
Jeff
-
fireheadman
- Posts: 120
- Joined: Fri Aug 08, 2025 1:26 pm
- First Name: Ben
- Last Name: Piraro
- * REQUIRED* Type and Year of Model Ts owned: 1911 Model-T Pie Wagon
- Location: Castle Rock, CO
Re: Voltage Regulator Building Progress Update
Thank you on the reply
Has there been any issues with the wire provided being too small to sit between the starter switch? My starter wire is pretty thick gauge. I suppose I could upgrade the inline fuse to something used in car amplifiers.
So just to clarify, we are supposed to cut the wire coming from the starter switch to the starter and place the inline fuse there?
Has there been any issues with the wire provided being too small to sit between the starter switch? My starter wire is pretty thick gauge. I suppose I could upgrade the inline fuse to something used in car amplifiers.
So just to clarify, we are supposed to cut the wire coming from the starter switch to the starter and place the inline fuse there?
Member: Mile High Pedal Pushers - Denver, Colorado Chapter
https://www.youtube.com/watch?v=e5FPWnxG_9w
https://www.youtube.com/watch?v=e5FPWnxG_9w
-
AdminJeff
Topic author
Re: Voltage Regulator Building Progress Update
cut the smaller wired attached to the foot switch.
I have a fuel pump, phone charger, distributor and other accessories and never see more than 6A of draw. I include a 20A fuse. more than enough.
Jeff
I have a fuel pump, phone charger, distributor and other accessories and never see more than 6A of draw. I include a 20A fuse. more than enough.
Jeff
-
Ron Patterson
- Posts: 50
- Joined: Tue Apr 22, 2025 6:11 pm
- First Name: Ronald
- Last Name: Patterson
- * REQUIRED* Type and Year of Model Ts owned: 1915 Runabout
- Location: Petoskey, Michigan
Re: Voltage Regulator Building Progress Update
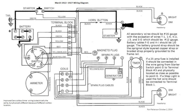
The Ford starting and lighting system is a 20 amp system and should be fused for 25 amps.
The circuit where the fuse goes is a #12 yellow wire.
Here is a diagram depicting in the notes where the fuse should be wired into the curcuit.
The circuit where the fuse goes is a #12 yellow wire.
Here is a diagram depicting in the notes where the fuse should be wired into the curcuit.
-
Ron Patterson
- Posts: 50
- Joined: Tue Apr 22, 2025 6:11 pm
- First Name: Ronald
- Last Name: Patterson
- * REQUIRED* Type and Year of Model Ts owned: 1915 Runabout
- Location: Petoskey, Michigan
Re: Voltage Regulator Building Progress Update
Sorry, belay that. Wrong diagram.
Here is the correct version.
Here is the correct version.