An oddity encountered while rewiring...

Discuss all things Model T related.
Forum rules
If you need help logging in, or have question about how something works, use the Support forum located here Support Forum
Complete set of Forum Rules Forum Rules

Topic author
Marshall V. Daut
Posts: 225
Joined: Wed Jan 16, 2019 2:57 pm
First Name: Marshall
Last Name: Daut
* REQUIRED* Type and Year of Model Ts owned: 1924 Coupe
Location: Davenport, Iowa

An oddity encountered while rewiring...

Post by Marshall V. Daut » Mon Nov 06, 2023 7:18 pm

O.K. Progress is being made on this 1920 Touring's re-birthing, mostly concerning sorting out electrical issues that a previous owner blew off. A new or used horn switch seems to be the way to go to solve this past weekend's problem. See previous posting about that.

New problem encountered, although not a game killer. The wiring on this car was a rat's nest of old wires and needless add-ons. GONE!!! Back to basics. I have a couple wiring diagrams that agree with each other 95% of the time. I have been religiously following the connecting process for all three harnesses, real rocket science compared to rewiring a 1980 Corvette. :) I have done this several times over the years, so I had no fear going in on this one. After completing the re-wiring, the engine starts right up. Previous to the new wiring, it was a maybe-yes, maybe-no proposition. A prayer got the coils buzzing every other attempt. Anyway, that problem has seemingly been resolved.

However, when the lights are turned on, the ammeter goes into the positive side. I know, I know. Switch the wires around back there. I did that and the needle now goes into the discharge side of the ammeter when the lights are turned on. Why was it necessary to do that? The wires are routed correctly per the diagrams, yet when the yellow wire with black tracer is connected to the positive ammeter terminal per diagram, the needle goes the wrong way. I probably should leave well enough alone, but I'd like to get this thing wired correctly without resorting to cludgey wiring sidesteps.

Any ideas why this opposite polarity issue exists in this car?

Marshall


Gen3AntiqueAuto
Posts: 415
Joined: Mon Aug 22, 2022 12:36 pm
First Name: Tim
Last Name: Foye
* REQUIRED* Type and Year of Model Ts owned: 27 Fordor, 15 speedster (2), 23 touring, 26 fordor, 25 TT
Location: Middleborough MA
MTFCA Life Member: YES
Board Member Since: 1999
Contact:

Re: An oddity encountered while rewiring...

Post by Gen3AntiqueAuto » Mon Nov 06, 2023 7:48 pm

Older ammeters show discharge to the right, maybe yours is labeled backwards from the original?
Gen III Antique Auto - we do Model T Ford Restorations

You can have everything in life you want, if you will just help other people get what they want -Zig Z.
https://www.youtube.com/channel/UCeROBg ... pB-KImprjw


Moxie26
Posts: 2026
Joined: Sun Jan 06, 2019 8:20 pm
First Name: Robert
Last Name: Jablonski
* REQUIRED* Type and Year of Model Ts owned: 1926 Runabout
Location: New Jersey
MTFCA Life Member: YES
Board Member Since: 1999

Re: An oddity encountered while rewiring...

Post by Moxie26 » Mon Nov 06, 2023 7:58 pm

Could your battery be installed backwards with a positive ground ?

User avatar

Humblej
Posts: 2057
Joined: Sun Jan 06, 2019 12:23 pm
First Name: Jeff
Last Name: Humble
* REQUIRED* Type and Year of Model Ts owned: 1926 Canadian coupe, 1924 TT C-cab, 1924 runabout
Location: Charlevoix, Mi
Board Member Since: 2006

Re: An oddity encountered while rewiring...

Post by Humblej » Mon Nov 06, 2023 8:12 pm

Marshall,
It is not your wiring, your battery, or your car, it is your ammeter. So you have to reverse the wires on the ammeter.

User avatar

RajoRacer
Posts: 5465
Joined: Sun Jan 06, 2019 12:18 pm
First Name: Steve
Last Name: Tomaso
* REQUIRED* Type and Year of Model Ts owned: 1914 Touring, 1919 Centerdoor, 1924 TT C-Cab Express, 1925 Racer
Location: Longbranch, WA
Board Member Since: 2001

Re: An oddity encountered while rewiring...

Post by RajoRacer » Mon Nov 06, 2023 8:15 pm

Are you using an original large Ford ammeter OR one of the small, imported ammeters used on Model As ???


Topic author
Marshall V. Daut
Posts: 225
Joined: Wed Jan 16, 2019 2:57 pm
First Name: Marshall
Last Name: Daut
* REQUIRED* Type and Year of Model Ts owned: 1924 Coupe
Location: Davenport, Iowa

Re: An oddity encountered while rewiring...

Post by Marshall V. Daut » Mon Nov 06, 2023 8:55 pm

Thanks for everyone's replies. I double checked the battery orientation today and it is correctly hooked up with the negative cable grounded to the frame. The ammeter is the smaller Model A style that has been glued inside the larger outer ring that originally held a larger Model T ammeter. Because I swapped the two wires on the back of the ammeter, do I also need to move the short wire connecting the back of the switch (marked "batt.") to the other ammeter terminal, contrary to how it is shown on wiring diagrams? Where should it go with this now-suspect ammeter?

An ammeter is a simple animal, designed to show current flow and draw: discharge = needle goes to the negative side, charge = needle goes to the positive side. That's pretty cut and dried. Why, then, would it be necessary to go counter to its natural tendency to show discharge when a power drain occurs for it show a charge? Were these foreign-made ammeters (and what ammeter produced for our antique cars in the last 50 years HASN'T been foreign-made?) built to work backwards? Or maybe because a Model A is a positive ground system, this ammeter was designed for Model A's and not T's with their negative ground electrical systems? That would be my guess.

Marshall

User avatar

RajoRacer
Posts: 5465
Joined: Sun Jan 06, 2019 12:18 pm
First Name: Steve
Last Name: Tomaso
* REQUIRED* Type and Year of Model Ts owned: 1914 Touring, 1919 Centerdoor, 1924 TT C-Cab Express, 1925 Racer
Location: Longbranch, WA
Board Member Since: 2001

Re: An oddity encountered while rewiring...

Post by RajoRacer » Mon Nov 06, 2023 10:29 pm

It's the ammeter - all that are being reproduced are positive ground. You did what you needed to do swapping out the 2 wires on the meter - nothing else cares !

User avatar

TRDxB2
Posts: 6531
Joined: Tue Jan 08, 2019 4:56 pm
First Name: Frank
Last Name: Brandi
* REQUIRED* Type and Year of Model Ts owned: Speedsters (1919 w 1926 upgrades), 1926 (Ricardo Head)
Location: Moline IL
Board Member Since: 2018

Re: An oddity encountered while rewiring...

Post by TRDxB2 » Mon Nov 06, 2023 11:48 pm

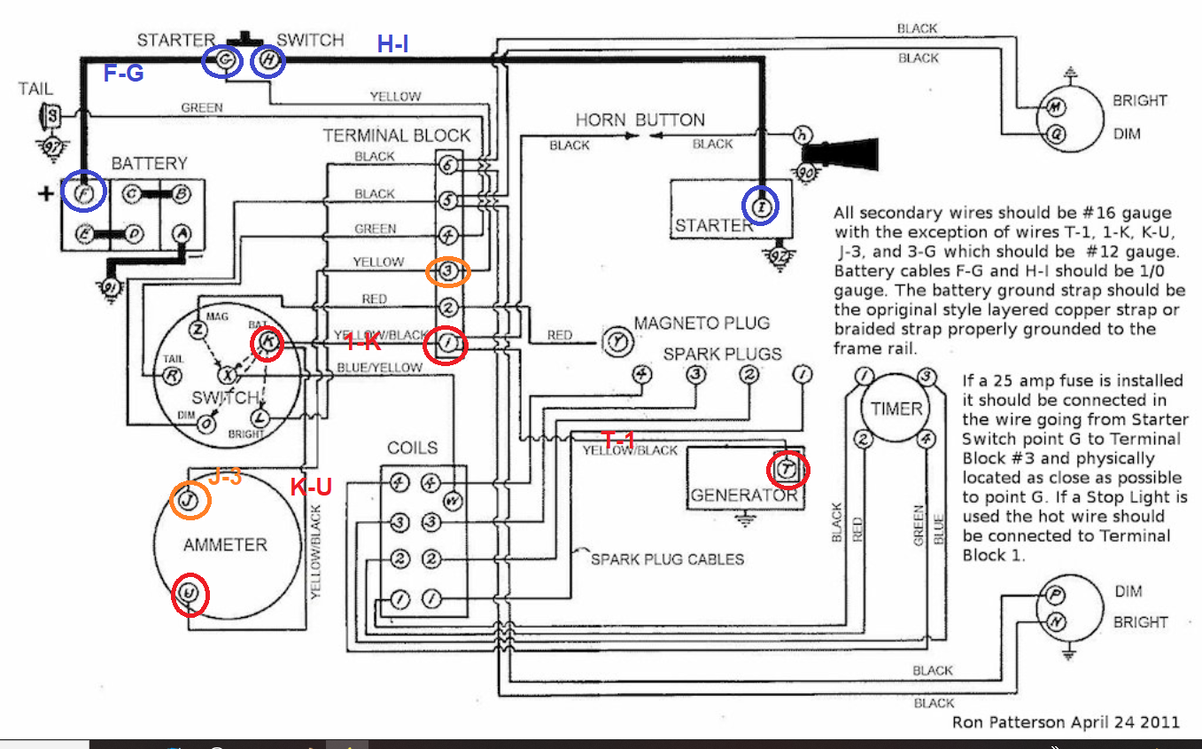
This one of the best wiring diagrams. The J position on the ammeter is for the + positive connection to the BAT position on the ignition switch & the U is the - negative position on the ammeter from the cutout/VR on the generator via position 1 on the terminal block.

Some ammeters connections aren't marked so its up to the user to figure direction
Attachments
GA explained.png
The past is a great place and I don't want to erase it or to regret it, but I don't want to be its prisoner either.
Mick Jagger

Post Reply Previous topicNext topic