In line fuse

Discuss all things Model T related.
Forum rules
If you need help logging in, or have question about how something works, use the Support forum located here Support Forum
Complete set of Forum Rules Forum Rules

Topic author
John L
Posts: 150
Joined: Sun Jan 06, 2019 2:39 pm
First Name: John
Last Name: Leffler
* REQUIRED* Type and Year of Model Ts owned: 1923 Coupe, 1927 Touring
Location: Lebanon PA 17046

In line fuse

Post by John L » Fri Jun 14, 2024 11:01 am

I want to put an inline fuse in my 23 . It would be a fuse holder and what amperage fuse should I use?


Moxie26
Posts: 2039
Joined: Sun Jan 06, 2019 8:20 pm
First Name: Robert
Last Name: Jablonski
* REQUIRED* Type and Year of Model Ts owned: 1926 Runabout
Location: New Jersey
MTFCA Life Member: YES
Board Member Since: 1999

Re: In line fuse

Post by Moxie26 » Fri Jun 14, 2024 11:32 am

Suggested is a 20 amp fuse with the holder soldered inline on the yellow battery #12 gauge wire at the foot starter switch terminal .... not on the starter cable terminal.

User avatar

Novice
Posts: 642
Joined: Tue Jan 08, 2019 12:25 pm
First Name: Jim
Last Name: Davis
* REQUIRED* Type and Year of Model Ts owned: 1926 Touring. 1923/26 Open Express. 1920 depot hack
Location: Tomball,Texas
Board Member Since: 2017

Re: In line fuse

Post by Novice » Sat Jun 15, 2024 12:51 am

John. I installed mine right at the firewall terminal block. used a black in line fuse holder with 20 amp fuse. Might use a black fuse holder so it not too obvious. Many put their fuse holder at the starter switch in a weather proof boot like some of the vendors sell. I prefer to mount it on fire wall where it is easily to change fuse or disable electrical power when working on the car. Sure from a purely technical point of view fuse at the power source. But in this case the 30 inches ? of wire run straight to the fuse holder stands little chance of shorting out on anything. and it is much easier to check or change when out on the road in the boonies with out getting under the car or pulling the floor boards in the dark. Photo of period after market model T fuse block that fuses all of the model T electrical circuits including the magneto. A little over kill. Maybe not when You compare against Your daily driver with fifty fuses and three or more fuse boxes. Henry didn't put fuses on the model T because they were not needed but they cost a Nickle. He did put fuses on the model A to keep up with the competition such as Chevrolet and others which had put fuses on their cars for years.
Attachments
Fuse 2 Model T_resized (3).jpg
Fuse 2 Model T_resized (3).jpg (64.05 KiB) Viewed 3525 times

User avatar

Craig Leach
Posts: 2020
Joined: Tue Jan 08, 2019 12:22 am
First Name: craig
Last Name: leach
* REQUIRED* Type and Year of Model Ts owned: 1919 Firetruck/1922 Speedster
Location: Laveen Az

Re: In line fuse

Post by Craig Leach » Sat Jun 15, 2024 2:27 am

Robert & John are spot on but 3 years from now when the car wont start & you forgot you installed a fuse that cant be seen it will drive you nuts.
Just a personal observation. Not admitting to anything your Honor.
Craig.


Moxie26
Posts: 2039
Joined: Sun Jan 06, 2019 8:20 pm
First Name: Robert
Last Name: Jablonski
* REQUIRED* Type and Year of Model Ts owned: 1926 Runabout
Location: New Jersey
MTFCA Life Member: YES
Board Member Since: 1999

Re: In line fuse

Post by Moxie26 » Sat Jun 15, 2024 7:31 am

Craig and All ..... No harm taken,.... Another fuse location could be tapped right off the battery terminal itself, with an additional wire ran to meet the original harness at the starter switch area. Here again, location location, location, location, location... Touring car would be no problem, Depot hack, here again no problem, going for a roadster Is another story having to move things around in the trunk just to get to the battery .. or trying to get access in spite of a larger gut, here again, no harm taken. So we do have an option of three locations for a safe fuse addition..... Running an extra length of wire with a fuse at the positive battery terminal, an additional fuse at the firewall terminal block, or adding the fuse at the battery terminal of the starter foot switch. Some of us do not want to have others see the changes that we incorporate.... It's all a matter of personal preference and safety....... The the addition of a master battery switch mounted on the front seat riser Is a thoughtful safety feature with the standard wiring.


Ron Patterson

Re: In line fuse

Post by Ron Patterson » Sat Jun 15, 2024 8:12 am

John
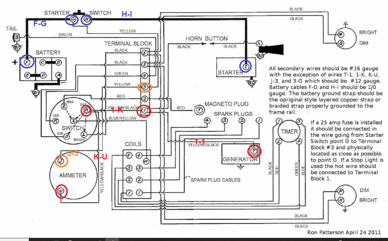
The Model T Ford FA charging and lighting system is a 20 amp system that should be fused with one 25 amp fuse.
That fuse should be installed as shown in the attached wiring diagram. This fuse will protect all the cirsuits form overload.
Ron Patterson
March 1922 to 1927  Wiring Diagram 8-30-2018.jpg


Moxie26
Posts: 2039
Joined: Sun Jan 06, 2019 8:20 pm
First Name: Robert
Last Name: Jablonski
* REQUIRED* Type and Year of Model Ts owned: 1926 Runabout
Location: New Jersey
MTFCA Life Member: YES
Board Member Since: 1999

Re: In line fuse

Post by Moxie26 » Sat Jun 15, 2024 9:13 am

"Fuse should be installed as shown". ..... ????? I have my glasses on but I can't find the fuse. Please highlight that area.

User avatar

Humblej
Posts: 2061
Joined: Sun Jan 06, 2019 12:23 pm
First Name: Jeff
Last Name: Humble
* REQUIRED* Type and Year of Model Ts owned: 1926 Canadian coupe, 1924 TT C-cab, 1924 runabout
Location: Charlevoix, Mi
Board Member Since: 2006

Re: In line fuse

Post by Humblej » Sat Jun 15, 2024 9:26 am

Read the note in the lower right side of the print.


Moxie26
Posts: 2039
Joined: Sun Jan 06, 2019 8:20 pm
First Name: Robert
Last Name: Jablonski
* REQUIRED* Type and Year of Model Ts owned: 1926 Runabout
Location: New Jersey
MTFCA Life Member: YES
Board Member Since: 1999

Re: In line fuse

Post by Moxie26 » Sat Jun 15, 2024 9:59 am

Jeff... I did read the notation, .... highlighting the diagram area would be more helpful to more.

User avatar

John.Zibell
Posts: 386
Joined: Mon Jan 07, 2019 9:09 am
First Name: John
Last Name: Zibell
* REQUIRED* Type and Year of Model Ts owned: 1926 Tudor
Location: Huntsville, AL

Re: In line fuse

Post by John.Zibell » Sat Jun 15, 2024 4:14 pm

For the brake and turn signals I added an additional 15 amp fuse at the starter switch to power those items. It will make the ammeter show a charge when activated, but to me is the best point for protecting the circuit.
1926 Tudor

User avatar

TRDxB2
Posts: 6552
Joined: Tue Jan 08, 2019 4:56 pm
First Name: Frank
Last Name: Brandi
* REQUIRED* Type and Year of Model Ts owned: Speedsters (1919 w 1926 upgrades), 1926 (Ricardo Head)
Location: Moline IL
Board Member Since: 2018

Re: In line fuse

Post by TRDxB2 » Sat Jun 15, 2024 5:56 pm

Moxie26 wrote:
Sat Jun 15, 2024 9:59 am
Jeff... I did read the notation, .... highlighting the diagram area would be more helpful to more.
Did that awhile ago for a different discussion. Note UPPER case vs lower case letters
GA explained.png
--
--
Same basic diagram with color coded wires
Starter with dash ignition switch.png
The past is a great place and I don't want to erase it or to regret it, but I don't want to be its prisoner either.
Mick Jagger

User avatar

TRDxB2
Posts: 6552
Joined: Tue Jan 08, 2019 4:56 pm
First Name: Frank
Last Name: Brandi
* REQUIRED* Type and Year of Model Ts owned: Speedsters (1919 w 1926 upgrades), 1926 (Ricardo Head)
Location: Moline IL
Board Member Since: 2018

Re: In line fuse

Post by TRDxB2 » Sat Jun 15, 2024 6:08 pm

Fuse options
Circuit Breaker
fuse 1.png
--
conventional
napa fuse.png
--
Just hang it from the terminal strip
hang it.png
hang it.png (115.48 KiB) Viewed 3290 times
The past is a great place and I don't want to erase it or to regret it, but I don't want to be its prisoner either.
Mick Jagger


DHort
Posts: 2956
Joined: Sun Jan 06, 2019 1:30 pm
First Name: Dave
Last Name: Hjortnaes
* REQUIRED* Type and Year of Model Ts owned: 24 Speedster, 20 touring
Location: Men Falls, WI

Re: In line fuse

Post by DHort » Sat Jun 15, 2024 6:19 pm

I understand where to put the fuse, but why should it be as close to G as possible? Why not anywhere between G and 3?


Allan
Posts: 7166
Joined: Sun Jan 06, 2019 7:21 pm
First Name: Allan
Last Name: Bennett
* REQUIRED* Type and Year of Model Ts owned: 1912 van, 1917 shooting brake, 1929 roadster buckboard, 1924 tourer, 1925 barn find buckboard, 1925 D &F wide body roadster, 1927LHD Tudor sedan.
Location: Gawler, Australia

Re: In line fuse

Post by Allan » Sat Jun 15, 2024 6:29 pm

The further into the wiring system the fuse is placed, there is a greater the chance of damage between the power source and the fuse. So, keep it at the starter switch, out of sight. It is not as accessible, but you have to find the reason the fuse blew in the first place, so adding replacing the floorboards to the task is no big deal.

Allan from down under

User avatar

jsaylor
Posts: 439
Joined: Sun Jan 06, 2019 5:25 pm
First Name: John
Last Name: Saylor
* REQUIRED* Type and Year of Model Ts owned: 1921 Touring, 1927 Tudor
Location: Citrus Heights, Ca
Board Member Since: 1999

Re: In line fuse

Post by jsaylor » Sat Jun 15, 2024 6:33 pm

"Why should it be as close to G as possible?" Closer to the Battery source the more protection.

User avatar

Humblej
Posts: 2061
Joined: Sun Jan 06, 2019 12:23 pm
First Name: Jeff
Last Name: Humble
* REQUIRED* Type and Year of Model Ts owned: 1926 Canadian coupe, 1924 TT C-cab, 1924 runabout
Location: Charlevoix, Mi
Board Member Since: 2006

Re: In line fuse

Post by Humblej » Sat Jun 15, 2024 6:44 pm

G is the battery source.


jiminbartow
Posts: 2469
Joined: Sun Jan 06, 2019 10:55 pm
First Name: James
Last Name: Patrick
* REQUIRED* Type and Year of Model Ts owned: 1926 Coupe
Location: Bartow, FL
Board Member Since: 2001

Re: In line fuse

Post by jiminbartow » Sun Jun 16, 2024 8:37 am

Easier to access from under the car rather than through the floorboards.

Post Reply Previous topicNext topic