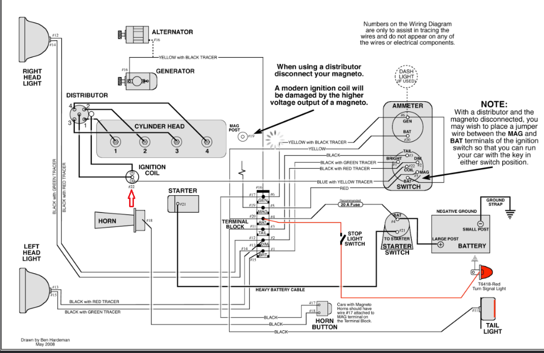
Distributor and coil, vs. Coil boxes and timer
Forum rules
If you need help logging in, or have question about how something works, use the Support forum located here Support Forum
Complete set of Forum Rules Forum Rules
If you need help logging in, or have question about how something works, use the Support forum located here Support Forum
Complete set of Forum Rules Forum Rules
-
Topic author - Posts: 251
- Joined: Tue Sep 29, 2020 8:01 pm
- First Name: Vincent
- Last Name: Pina
- * REQUIRED* Type and Year of Model Ts owned: 1925 Tudor Sedan
- Location: Farmingdale
Distributor and coil, vs. Coil boxes and timer
The '25 currently has a distributor and coil partially hooked up. Amongst the parts we're about 20 spark plugs, spark plug wire sets, a few timers, a half dozen coil boxes and a bunch of coil box repair parts,.. Some new in package and some used.
PO told me he had trouble getting it running, so he started to switch over to the dizzy. (PO owned the car for 40 years, fully restored it and drove it to Hershey and local shows so I know it was working at one point)
Are there advantages to the dizzy set up?
Should I switch back over to timer and coil boxes?
PO told me he had trouble getting it running, so he started to switch over to the dizzy. (PO owned the car for 40 years, fully restored it and drove it to Hershey and local shows so I know it was working at one point)
Are there advantages to the dizzy set up?
Should I switch back over to timer and coil boxes?
-
- Posts: 4683
- Joined: Tue Jan 08, 2019 1:39 pm
- First Name: Norman
- Last Name: Kling
- Location: Alpine California
Re: Distributor and coil, vs. Coil boxes and timer
It is dependent on whether or not you want to experience the original Ford ignition system and also whether or not you want to show your car in car shows. If you have any good coils in the collection, try them in the coil box and run on your 6 volt battery. They should work if the timer and coil box connections are good and there are no carbon burns on the coil box from sparks jumping inside the coil box. If you get it running, but it is misfiring. If you find a miss on one or more cylinders swap for a coil which haves a good spark. If the misfire goes with the coil to the other cylinder, the problem is the coil. If it still is on the same cylinder, it is either the timer, the contacts in the coil box or a bad spark plug. Anyway when you get it running good on battery, using an analog AC volt meter, check the magneto post at the top of the magneto for voltage. It should be at least 6 volts AC at idle and increase with engine speed. If so, your magneto is working. I know it is a lot to check and fix to get it running on magneto, but once it does, you will be surprised to how much better on magneto than battery.
If you want to use a distributor, be sure to find out what battery voltage the ignition coil is intended for and use that voltage. If it is made for 12 volts, then the battery, generator and starter must be converted to 12 volts as well as the electric lights. You must also carry with you the necessary replacement parts such as cap, rotor, points and condenser because there are many different kinds of distributors which can be adapted to fit a T, and many of the parts are not available at the local auto parts dealer, or must be put on order, so on tours you might need to use some spares you carry with you. Even the others on the tour who might have distributors might not have spare parts which will fit yours. But there is almost someone who will have a spare coil or timer. Which, if you do use coils and timer, be sure to carry at least one spare part with you, just in case you need it
So either way there is a lot to do to get it running well.
I think I have given you the whole story.
Norm
If you want to use a distributor, be sure to find out what battery voltage the ignition coil is intended for and use that voltage. If it is made for 12 volts, then the battery, generator and starter must be converted to 12 volts as well as the electric lights. You must also carry with you the necessary replacement parts such as cap, rotor, points and condenser because there are many different kinds of distributors which can be adapted to fit a T, and many of the parts are not available at the local auto parts dealer, or must be put on order, so on tours you might need to use some spares you carry with you. Even the others on the tour who might have distributors might not have spare parts which will fit yours. But there is almost someone who will have a spare coil or timer. Which, if you do use coils and timer, be sure to carry at least one spare part with you, just in case you need it
So either way there is a lot to do to get it running well.
I think I have given you the whole story.
Norm
-
- Posts: 3743
- Joined: Sun Jan 06, 2019 10:53 am
- First Name: Tim
- Last Name: Wrenn
- * REQUIRED* Type and Year of Model Ts owned: '13 Touring, '26 "Overlap" Fordor
- Location: Ohio
- Board Member Since: 2019
Re: Distributor and coil, vs. Coil boxes and timer
At this point, if it's running decent, as they say, if it aint broke, don't fix it!
The one timer in your picture IS broke...the top part where the spark adjust rod attaches is broke. Who knows what shape the roller is in, and most who know me will tell you I don't like them, I'm what I admit is a "TW Timer snob"!! And proud of it. Cause they run flawlessly.
The one timer in your picture IS broke...the top part where the spark adjust rod attaches is broke. Who knows what shape the roller is in, and most who know me will tell you I don't like them, I'm what I admit is a "TW Timer snob"!! And proud of it. Cause they run flawlessly.
-
- Posts: 2886
- Joined: Sun Jan 06, 2019 5:25 pm
- First Name: George
- Last Name: House
- * REQUIRED* Type and Year of Model Ts owned: ‘10 Maxwell AA, ‘11Hupp Model 20, Two 1914 Ford runabouts, 19 centerdoor, 25 C Cab,26 roadster
- Location: Northern Caldwell County TX
- MTFCA Life Member: YES
- Board Member Since: 1999
Re: Distributor and coil, vs. Coil boxes and timer
Yes and Yes...Yes, the distributor advantage is if you’re caught out in a frog stranglin rain. Coil box more likely to short out…. Yes,…keep it running right with Henry Ford Model T components.
A Fine is a Tax for Doing Something Wrong….A Tax is a Fine for Doing Something RIGHT 
-
- Posts: 1979
- Joined: Tue Jan 08, 2019 12:22 am
- First Name: craig
- Last Name: leach
- * REQUIRED* Type and Year of Model Ts owned: 1919 Firetruck/1922 Speedster
- Location: Laveen Az
Re: Distributor and coil, vs. Coil boxes and timer
First I think the forum should have a CAN OF WORMS catagory in the index. This subject being up there with What oil to run, & water pumps ect.
Norm pretty much hit the nail on the head. The only thing that dictates the voltage needed to run a dizzy is the coil & that change is easy to
overcome by getting the correct coil. If you are running 12 volt ( another subject for the CAN OF WORMS catagory) with a 6 volt coil a ballast
resistor is required. Some believe that T coils break down at high rpm. The Montana 500 guys have proved that to not be true. If you put your
car out for judging coils are the rule. Either way in poor condition they will both take the fun out of your day. Some think dizzies are more
reliable. I can not swear to that. I have got some good deals on dizzies that someone had pulled thier hair out over & the same on coils &
timers. Coils are original dizzies are not & I can't remember ever getting a free start with a dizzy.
Craig.
Norm pretty much hit the nail on the head. The only thing that dictates the voltage needed to run a dizzy is the coil & that change is easy to
overcome by getting the correct coil. If you are running 12 volt ( another subject for the CAN OF WORMS catagory) with a 6 volt coil a ballast
resistor is required. Some believe that T coils break down at high rpm. The Montana 500 guys have proved that to not be true. If you put your
car out for judging coils are the rule. Either way in poor condition they will both take the fun out of your day. Some think dizzies are more
reliable. I can not swear to that. I have got some good deals on dizzies that someone had pulled thier hair out over & the same on coils &
timers. Coils are original dizzies are not & I can't remember ever getting a free start with a dizzy.
Craig.
-
- Posts: 6896
- Joined: Sun Jan 06, 2019 7:21 pm
- First Name: Allan
- Last Name: Bennett
- * REQUIRED* Type and Year of Model Ts owned: 1912 van, 1917 shooting brake, 1929 roadster buckboard, 1924 tourer, 1925 barn find buckboard, 1925 D &F wide body roadster, 1927LHD Tudor sedan.
- Location: Gawler, Australia
Re: Distributor and coil, vs. Coil boxes and timer
There are disadvantages with the distributor set-up.
There is little you can do to set the correct gear mesh between the van gear and shaft. It is a fit and forget set-up, and you can only hope it is corect.
A problem when operating same is a problem for all cylinders. With standard coils you can just swap out a dud, or limp home on 3 cylinders.
If you are on tour and have problems, and other drivers are like me, they might not be able to help. When the distributor on my tudor plays up, it will be replaced with a standard set-up which I understand.
Allan from down under.
There is little you can do to set the correct gear mesh between the van gear and shaft. It is a fit and forget set-up, and you can only hope it is corect.
A problem when operating same is a problem for all cylinders. With standard coils you can just swap out a dud, or limp home on 3 cylinders.
If you are on tour and have problems, and other drivers are like me, they might not be able to help. When the distributor on my tudor plays up, it will be replaced with a standard set-up which I understand.
Allan from down under.
-
- Posts: 429
- Joined: Sun Jan 06, 2019 7:31 pm
- First Name: Tom
- Last Name: Moorehead
- * REQUIRED* Type and Year of Model Ts owned: 24 Touring, 25 Coupe,
- Location: Louisville, KY
Re: Distributor and coil, vs. Coil boxes and timer
Because I did not understand the Ford ignition original to a T, and the folks we started touring with so many years ago tuned their T's by ear, I switched to a distributor. We have had several T's and when there were issues with the Ford ignition, it was a pretty quick fix to go to a distributor. We continue to use 6 volts. Our T's run pretty good with low maintenance. One car had not had the distributor cap off for 6 years. If it ain't broke, don't fix it. I do appreciate and respect those who run the Ford ignition. And at some point, I may even give it a try. That would involve setting up the mag parts, coil box, coils, wiring, timer either modern or original roller type, etc. For now we'll keep what we have. Like it or not, we have a lot of fun driving miles on a distributor. We carry spare parts just like others do with the Ford ignition.
I like our disc brakes, too. But that's another can of worms.
Enjoy your car. Isn't that the name of the game? We certainly do!
I like our disc brakes, too. But that's another can of worms.
Enjoy your car. Isn't that the name of the game? We certainly do!
-
- Posts: 5328
- Joined: Sun Jan 06, 2019 12:18 pm
- First Name: Steve
- Last Name: Tomaso
- * REQUIRED* Type and Year of Model Ts owned: 1914 Touring, 1919 Centerdoor, 1924 TT C-Cab Express, 1925 Racer
- Location: Longbranch, WA
- Board Member Since: 2001
Re: Distributor and coil, vs. Coil boxes and timer
I run both types of ignition systems - it's simply a matter of personal choice - it's your Model T !!!
-
Topic author - Posts: 251
- Joined: Tue Sep 29, 2020 8:01 pm
- First Name: Vincent
- Last Name: Pina
- * REQUIRED* Type and Year of Model Ts owned: 1925 Tudor Sedan
- Location: Farmingdale
Re: Distributor and coil, vs. Coil boxes and timer
The car is 6 volt. I'm not sure how far along the PO got with putting in the distributor. It looks like it is mostly in, wired and just needed to have the leads attached to the spark plugs. He gave me a dry 6v Napa battery #7244, of unknown age but it looked fairly new. I filled with distilled water but I don't have a 6v charger. Once I get the battery situation squared away, I'll have to do more investigating.
In looking it over tonight, I contemplated putting back to stock coil boxes.
I need to determine best course of events, for breakdowns, and what spares would be best to keep and get me back on the road.
In looking it over tonight, I contemplated putting back to stock coil boxes.
I need to determine best course of events, for breakdowns, and what spares would be best to keep and get me back on the road.
-
- Posts: 4683
- Joined: Tue Jan 08, 2019 1:39 pm
- First Name: Norman
- Last Name: Kling
- Location: Alpine California
Re: Distributor and coil, vs. Coil boxes and timer
There should be a sticker or stamp somewhere on the battery which indicates the date of manufacture. If more than 4 or 5 years and especially in a discharged state, it might not be any good. If you can get a charger, charge it up and see if it will hold a charge. New 6V Group 1 batteries can be had at Auto Zone. Some stores even have them in stock. Look for the date to be sure you get a fresh one. I have also ordered from Napa, but usually takes a day or two to be delivered to the local store. They don't keep them in stock.
Norm
Norm
-
Topic author - Posts: 251
- Joined: Tue Sep 29, 2020 8:01 pm
- First Name: Vincent
- Last Name: Pina
- * REQUIRED* Type and Year of Model Ts owned: 1925 Tudor Sedan
- Location: Farmingdale
Re: Distributor and coil, vs. Coil boxes and timer
Can't find a code. Only a small sticker on the side, H3.
-
- Posts: 765
- Joined: Mon Jan 07, 2019 7:40 am
- First Name: CHARLIE
- Last Name: BRANCA
- * REQUIRED* Type and Year of Model Ts owned: "27 Tudor / "23 Touring
- Location: Brick N.J.
- Board Member Since: 2010
Re: Distributor and coil, vs. Coil boxes and timer
The distributor option is so common it’s totally acceptable to me. They both work well if properly maintained. One is not better than the other performance wise as they offer no better power or drive ability one over the other.
Forget everything you thought you knew.
-
- Posts: 1979
- Joined: Tue Jan 08, 2019 12:22 am
- First Name: craig
- Last Name: leach
- * REQUIRED* Type and Year of Model Ts owned: 1919 Firetruck/1922 Speedster
- Location: Laveen Az
Re: Distributor and coil, vs. Coil boxes and timer
Hi Vincent,
Allan has a point on some dizzies you just can't see the gears. If the dizzy is not set up with centrifugal advance you can get a pretty good feel
for the gear mesh by turning the distributer shaft with your fingers. If you can't see or feel the mesh, turn the engine to TDC & mark the pulley
& rotor possission. Remove the dizzy put some gear marking compound on the cam & dizzy gear, install, turn the engine over 2 revolutions,
remove and check the mesh the install when satisfied, Don't forget the dizzy needs lubed regularly to give good long service. The Dizzy you
have there looks like a Bosch 009. That is the most common to get parts for but have spares with you. Most don't know the rotor has a noise
supresion resistor in it. And they go bad, they will drive you nuts because the appear to be good when testing & fail when driving. Keep 2 in
the tool box. It is the easyest thing to change & then you have one for the next guy. Don't leave home with out them. There are several models
of Bosch dizzies that the parts look alike & fit. But are not the same & will give poor performance or even damage each other. I have never
even had a complete Ford ignition system & have nothing against them but do prefer period dizzies like Thomas, Atwater-Kent & American
Bosch that way I still have 100 year old parts to give me a bad time just like you guys that run coils & timers do.
Craig.
Allan has a point on some dizzies you just can't see the gears. If the dizzy is not set up with centrifugal advance you can get a pretty good feel
for the gear mesh by turning the distributer shaft with your fingers. If you can't see or feel the mesh, turn the engine to TDC & mark the pulley
& rotor possission. Remove the dizzy put some gear marking compound on the cam & dizzy gear, install, turn the engine over 2 revolutions,
remove and check the mesh the install when satisfied, Don't forget the dizzy needs lubed regularly to give good long service. The Dizzy you
have there looks like a Bosch 009. That is the most common to get parts for but have spares with you. Most don't know the rotor has a noise
supresion resistor in it. And they go bad, they will drive you nuts because the appear to be good when testing & fail when driving. Keep 2 in
the tool box. It is the easyest thing to change & then you have one for the next guy. Don't leave home with out them. There are several models
of Bosch dizzies that the parts look alike & fit. But are not the same & will give poor performance or even damage each other. I have never
even had a complete Ford ignition system & have nothing against them but do prefer period dizzies like Thomas, Atwater-Kent & American
Bosch that way I still have 100 year old parts to give me a bad time just like you guys that run coils & timers do.

Craig.
-
- Posts: 6389
- Joined: Tue Jan 08, 2019 4:56 pm
- First Name: Frank
- Last Name: Brandi
- * REQUIRED* Type and Year of Model Ts owned: Speedsters (1919 w 1926 upgrades), 1926 (Ricardo Head)
- Location: Moline IL
- Board Member Since: 2018
Re: Distributor and coil, vs. Coil boxes and timer
You may have a distributor because of magneto issues or that it was removed.
You need to properly identify the distributor. The "original" American Bosch, included centrifugal advance, and require the period replacement parts. Original 009 VW Robert Bosch distributors became a popular modification but required advance curve changes. AND some of these were available for purchase. Texas T now sells a 009 knock off modified for the Model T.
You can see the differences in these two - the first appears to be marked as a VW, as Craig noted. Also has the same lever for the commutator rod as yours --
--
The current Texas T's version.
-- --
nstallation instructions should be close enough for either
The past is a great place and I don't want to erase it or to regret it, but I don't want to be its prisoner either.
Mick Jagger
Mick Jagger
-
- Posts: 5328
- Joined: Sun Jan 06, 2019 12:18 pm
- First Name: Steve
- Last Name: Tomaso
- * REQUIRED* Type and Year of Model Ts owned: 1914 Touring, 1919 Centerdoor, 1924 TT C-Cab Express, 1925 Racer
- Location: Longbranch, WA
- Board Member Since: 2001
Re: Distributor and coil, vs. Coil boxes and timer
It appears that distributor set-up could be a Bill Rader item due to the bell crank for the spark lead arms.
-
Topic author - Posts: 251
- Joined: Tue Sep 29, 2020 8:01 pm
- First Name: Vincent
- Last Name: Pina
- * REQUIRED* Type and Year of Model Ts owned: 1925 Tudor Sedan
- Location: Farmingdale
Re: Distributor and coil, vs. Coil boxes and timer
Here's more pics of what I have. Seems just the plugs are not attached. The inside of the dizzy is spotless.. Wires look new.
-
- Posts: 3809
- Joined: Tue Jan 08, 2019 10:43 am
- First Name: Larry
- Last Name: Smith
- * REQUIRED* Type and Year of Model Ts owned: 13 Touring, 13 Roadster, 17 Coupelet, 25 Roadster P/U
- Location: Lomita, California
- MTFCA Life Member: YES
Re: Distributor and coil, vs. Coil boxes and timer
A Model T is not a Model T if it doesn't have four coils in the coil box!
-
- Posts: 827
- Joined: Mon Jan 07, 2019 10:06 pm
- First Name: Ed
- Last Name: Fuller
- Location: NJ
- Board Member Since: 2012
Re: Distributor and coil, vs. Coil boxes and timer
I prefer stock Ford ignition over a distributor. It’s tough to beat the redundancy of a timer and coils.
If you’re out driving and your mag gives up, you can switch to battery to get you home. If a coil stops working you can quickly swap in a spare or limp home on three cylinders.
Timers do wear out and can cause rough running or a misfire, but a worn out timer can still get you home. I suppose a timer could fail completely but it’s highly unlikely. A spare timer and roller are easy to carry and swap out.
One of my T’s has a non working magneto. I’ve been running the coils off of a 12 volt battery for years and it runs great.
Not passing judgement on those who run a distributor, just my thoughts and experience.
If you’re out driving and your mag gives up, you can switch to battery to get you home. If a coil stops working you can quickly swap in a spare or limp home on three cylinders.
Timers do wear out and can cause rough running or a misfire, but a worn out timer can still get you home. I suppose a timer could fail completely but it’s highly unlikely. A spare timer and roller are easy to carry and swap out.
One of my T’s has a non working magneto. I’ve been running the coils off of a 12 volt battery for years and it runs great.
Not passing judgement on those who run a distributor, just my thoughts and experience.
-
- Posts: 4523
- Joined: Sun Jan 06, 2019 8:00 pm
- First Name: John
- Last Name: Kuehn
- * REQUIRED* Type and Year of Model Ts owned: 19 Roadster, 21 Touring, 24 Coupe
- Location: Texas
Re: Distributor and coil, vs. Coil boxes and timer
Nothing better than to hear the coils buzzing away in a Model T. To me it’s the originality of the way Ford built the T. My opinion
-
- Posts: 7892
- Joined: Sun Feb 14, 2021 10:08 pm
- First Name: Pat
- Last Name: McNallen
- * REQUIRED* Type and Year of Model Ts owned: 1926-7 roadster
- Location: Graham, Texas
- Board Member Since: 2021
Re: Distributor and coil, vs. Coil boxes and timer
Distributor is a Hella, which is VW(?)
I'd use the original ignition system. It appears that you have most or all of it.
It offers reliability, easy starting, period correctness, and free starts.
If your magneto is inoperative, I suggest repairing it. The original ignition system with battery and magneto is hard to beat, and it can be easily equipped to charge a small 12 volt battery for modern conveniences like a cell phone and a Garmin device.
I'd use the original ignition system. It appears that you have most or all of it.
It offers reliability, easy starting, period correctness, and free starts.
If your magneto is inoperative, I suggest repairing it. The original ignition system with battery and magneto is hard to beat, and it can be easily equipped to charge a small 12 volt battery for modern conveniences like a cell phone and a Garmin device.
-
- Posts: 6389
- Joined: Tue Jan 08, 2019 4:56 pm
- First Name: Frank
- Last Name: Brandi
- * REQUIRED* Type and Year of Model Ts owned: Speedsters (1919 w 1926 upgrades), 1926 (Ricardo Head)
- Location: Moline IL
- Board Member Since: 2018
Re: Distributor and coil, vs. Coil boxes and timer
The distributor is a Bosch 009 , used on VW's BUT likely an original vs repro or new oem
These had centrifugal advance and if it is -- ---
Distributors were period correct items as were external magnetos, mostly used for racing,.
Cost considerations VW parts available at any Auto parts Stores - Model T parts at selected suppliers
These had centrifugal advance and if it is -- ---
Distributors were period correct items as were external magnetos, mostly used for racing,.
Cost considerations VW parts available at any Auto parts Stores - Model T parts at selected suppliers
The past is a great place and I don't want to erase it or to regret it, but I don't want to be its prisoner either.
Mick Jagger
Mick Jagger
-
Topic author - Posts: 251
- Joined: Tue Sep 29, 2020 8:01 pm
- First Name: Vincent
- Last Name: Pina
- * REQUIRED* Type and Year of Model Ts owned: 1925 Tudor Sedan
- Location: Farmingdale
Re: Distributor and coil, vs. Coil boxes and timer
Decisions, decisions..
I like the idea of having the original parts. Deep down, I'm a purist but.....I also do like performance and upgrades when they are better than the original.
Since the distributor is already hooked up, I'll try and get it running as is.
Once I do get it running, I can start to look into the parts I have and eventually switch it back to the original boxes and timer.
I have the carb removed to free up some gunk at the shut off valve and I'm cleaning out the gas line. The inside of the carb is bone dry and no signs of varnish. The only thing I don't know is how far that center pin (needle?) needs to be screwed in. I unscrewed it before I knew to make note of where it was.
Now I'm off to see how to test a magneto and make sure it works still. It's hard to push the car around so I assume it's the magneto. Might have nothing to do with it.
I like the idea of having the original parts. Deep down, I'm a purist but.....I also do like performance and upgrades when they are better than the original.
Since the distributor is already hooked up, I'll try and get it running as is.
Once I do get it running, I can start to look into the parts I have and eventually switch it back to the original boxes and timer.
I have the carb removed to free up some gunk at the shut off valve and I'm cleaning out the gas line. The inside of the carb is bone dry and no signs of varnish. The only thing I don't know is how far that center pin (needle?) needs to be screwed in. I unscrewed it before I knew to make note of where it was.
Now I'm off to see how to test a magneto and make sure it works still. It's hard to push the car around so I assume it's the magneto. Might have nothing to do with it.
-
- Posts: 7892
- Joined: Sun Feb 14, 2021 10:08 pm
- First Name: Pat
- Last Name: McNallen
- * REQUIRED* Type and Year of Model Ts owned: 1926-7 roadster
- Location: Graham, Texas
- Board Member Since: 2021
Re: Distributor and coil, vs. Coil boxes and timer
Trademark misled me. I thought the "H" mark was Hella.
-
- Posts: 4523
- Joined: Sun Jan 06, 2019 8:00 pm
- First Name: John
- Last Name: Kuehn
- * REQUIRED* Type and Year of Model Ts owned: 19 Roadster, 21 Touring, 24 Coupe
- Location: Texas
Re: Distributor and coil, vs. Coil boxes and timer
When the car is on a level garage floor and the handbrake in in a straight up position you should be able to turn the engine with the hand crank fairly easy and not move the car if any or not at all. You should be able to push the car fairly easy also. Also with a cold engine the oil on the clutch plates will cause a little stiffness so be aware of that.
The Magneto itself doesn’t have anything to do with the car not moving.
The magnets are attached to the flywheel itself as being a part of the transmission assembly. The transmission assembly is what your turning with the hand crank.
Refer to the Ford manual about adjusting the clutch linkage correctly to give a good neutral when the handbrake is in the vertical position. Good luck with you 25 T!
The Magneto itself doesn’t have anything to do with the car not moving.
The magnets are attached to the flywheel itself as being a part of the transmission assembly. The transmission assembly is what your turning with the hand crank.
Refer to the Ford manual about adjusting the clutch linkage correctly to give a good neutral when the handbrake is in the vertical position. Good luck with you 25 T!
-
- Posts: 194
- Joined: Sun Jan 06, 2019 11:25 pm
- First Name: Jeff
- Last Name: Hood
- * REQUIRED* Type and Year of Model Ts owned: 1915 Touring, 1923 Fordor, 1924 Martin Parry Canopy Express, 1925 Coupe
- Location: Long Beach, CA.
Re: Distributor and coil, vs. Coil boxes and timer
If you are going to run a distributor, take out the points and install a PerTronix in there. I believe they are available in 6V or 12V for Volkswagen dizzys. Some may scoff, but I have run PerTronix units in several cars (not Model Ts) for years with zero maintenance or trouble. If you are worried, keep the old points and condenser in the toolbox, it only takes a few minutes to change it back, but you never will have to do it. The problem I have with VW dizzys is that there are no longer quality parts available for them and parts stores do not stock parts for 45-50 year old cars! The last VW to use that dizzy was sold in 1979.
Several years ago on a 4 day 500 plus mile tour we spent several hours and many roadside stops babysitting two cars with bad condensers in VW distributors. There were six cars and on the way home on the last day with the trouble stops, we became two groups of 3 cars separated by about ten miles. We finally nursed the one I was following to a fairly large city with the full variety of auto parts chain stores. Nobody had a condenser. They all could order one and have in a few days. Finally a customer in one store told us of a guy who only worked on old VWs, so we went there. As we walked through the door with the condenser in our hand he looked up and said "Those are junk." We said we were well aware and wanted one that wasn't "junk," to which he replied, "They aren't available. I sold my last one and I'm trying to get some more. Everything is made in Brazil or China and none of them are any good. They're bad right out of the box!" He then sent us to an independent parts store that he was pretty sure might have one of the "junk" ones in stock. They had one and the car made it home. The other car was ahead of us somewhere and also broken down. He had already changed the condenser the first day with an old one in his toolbox and just like us, there were no new ones to be had, but they decided that it had been running better with the first bad condenser than it was now so he changed it back and sputtered on home.
I think one car was switched back to Model T coils and has been fine since, while the other guy continues to make "improvements" to his car (12V, oil pump, oil filter, alternator, etc." and I don't think he has successfully completed a tour since.
Several years ago on a 4 day 500 plus mile tour we spent several hours and many roadside stops babysitting two cars with bad condensers in VW distributors. There were six cars and on the way home on the last day with the trouble stops, we became two groups of 3 cars separated by about ten miles. We finally nursed the one I was following to a fairly large city with the full variety of auto parts chain stores. Nobody had a condenser. They all could order one and have in a few days. Finally a customer in one store told us of a guy who only worked on old VWs, so we went there. As we walked through the door with the condenser in our hand he looked up and said "Those are junk." We said we were well aware and wanted one that wasn't "junk," to which he replied, "They aren't available. I sold my last one and I'm trying to get some more. Everything is made in Brazil or China and none of them are any good. They're bad right out of the box!" He then sent us to an independent parts store that he was pretty sure might have one of the "junk" ones in stock. They had one and the car made it home. The other car was ahead of us somewhere and also broken down. He had already changed the condenser the first day with an old one in his toolbox and just like us, there were no new ones to be had, but they decided that it had been running better with the first bad condenser than it was now so he changed it back and sputtered on home.
I think one car was switched back to Model T coils and has been fine since, while the other guy continues to make "improvements" to his car (12V, oil pump, oil filter, alternator, etc." and I don't think he has successfully completed a tour since.
-
- Posts: 681
- Joined: Wed Jan 23, 2019 3:00 pm
- First Name: Gene
- Last Name: Carrothers
- * REQUIRED* Type and Year of Model Ts owned: 1912 Torpedo Roadster
- Location: Huntington Beach, Ca
- Board Member Since: 1999
Re: Distributor and coil, vs. Coil boxes and timer
I'm not sure if anyone else above has asked or you have stated that your magneto is bad. That's the first thing you must determine because if it is then pulling the engine is required and major expense. That used to be the reason guys installed a disy system on their cars because it was a quick and easy way to get back on the road.
I'd offer this advice if you want to drive your T and have the original Model T look and feel. Consider an ETimer from Mike Kossor. It gives you the best performance and Reliability of any system available! Your car will then look exactly like a Model T and never need any maintenance or adjusting. You can easily sell your dist'y system and if you already have your coil box and a set of coils you'll never have to ever worry about your ignition system again!!
I'd offer this advice if you want to drive your T and have the original Model T look and feel. Consider an ETimer from Mike Kossor. It gives you the best performance and Reliability of any system available! Your car will then look exactly like a Model T and never need any maintenance or adjusting. You can easily sell your dist'y system and if you already have your coil box and a set of coils you'll never have to ever worry about your ignition system again!!
1912 Torpedo Roadster
-
- Posts: 681
- Joined: Wed Jan 23, 2019 3:00 pm
- First Name: Gene
- Last Name: Carrothers
- * REQUIRED* Type and Year of Model Ts owned: 1912 Torpedo Roadster
- Location: Huntington Beach, Ca
- Board Member Since: 1999
Re: Distributor and coil, vs. Coil boxes and timer
LIke Pat and John and several others prefer the original I'm really surprised no one has suggested the Etimer... Sounds like you have enough parts that you would only need to buy one of Mikes timers and you'd be done with that for good! It might be worth checking it out.
1912 Torpedo Roadster
-
Topic author - Posts: 251
- Joined: Tue Sep 29, 2020 8:01 pm
- First Name: Vincent
- Last Name: Pina
- * REQUIRED* Type and Year of Model Ts owned: 1925 Tudor Sedan
- Location: Farmingdale
Re: Distributor and coil, vs. Coil boxes and timer
If I was installing a coil and distributor from scratch, does anyone have written instructions on how to do so? Just so I can see if the PO installed them correctly.
-
- Posts: 4683
- Joined: Tue Jan 08, 2019 1:39 pm
- First Name: Norman
- Last Name: Kling
- Location: Alpine California
Re: Distributor and coil, vs. Coil boxes and timer
Even if you go to an E timer, be sure to carry a spare old fashoned times. Electronic things do tend to go bad. So you need to keep something just in case.
As to running the coils on 6 volts. I once ran one of my T's on 6 volt battery, and it ran, however, it was one of the slowest cars on a tour. Fixed the magneto and now it is one of the faster cars. The coils will work a bit better on 12 volts, but then you need to change the starter, lights, generator and everything electric. Some people change from generator to alternator. I have seen more cars with problems on tours with distributors and with Alternators. The Ford parts if kept in good condition, cause very few breakdowns on tours. If your magneto isn't working, you can go 12 volts or use an e timer or distributor until you need to do engine or transmission work which requires pulling the engine, and then repair the magneto at that time.
Norm
As to running the coils on 6 volts. I once ran one of my T's on 6 volt battery, and it ran, however, it was one of the slowest cars on a tour. Fixed the magneto and now it is one of the faster cars. The coils will work a bit better on 12 volts, but then you need to change the starter, lights, generator and everything electric. Some people change from generator to alternator. I have seen more cars with problems on tours with distributors and with Alternators. The Ford parts if kept in good condition, cause very few breakdowns on tours. If your magneto isn't working, you can go 12 volts or use an e timer or distributor until you need to do engine or transmission work which requires pulling the engine, and then repair the magneto at that time.
Norm
-
- Posts: 6389
- Joined: Tue Jan 08, 2019 4:56 pm
- First Name: Frank
- Last Name: Brandi
- * REQUIRED* Type and Year of Model Ts owned: Speedsters (1919 w 1926 upgrades), 1926 (Ricardo Head)
- Location: Moline IL
- Board Member Since: 2018
Re: Distributor and coil, vs. Coil boxes and timer
Here does 6v & 12V instructions
Not sure what you have but they are pretty much the same. ---
Focus on the wires to the coil the + - that's the important part --
--
The past is a great place and I don't want to erase it or to regret it, but I don't want to be its prisoner either.
Mick Jagger
Mick Jagger
-
Topic author - Posts: 251
- Joined: Tue Sep 29, 2020 8:01 pm
- First Name: Vincent
- Last Name: Pina
- * REQUIRED* Type and Year of Model Ts owned: 1925 Tudor Sedan
- Location: Farmingdale
Re: Distributor and coil, vs. Coil boxes and timer
Thanks. At least it'll give me a chance at figuring it out once I do go to start it. So far, wiring looks good, plugs look good, cap is new, carb is clean as is gas line. Last week, I cleaned up the sediment bowl so that's all clear.
-
Topic author - Posts: 251
- Joined: Tue Sep 29, 2020 8:01 pm
- First Name: Vincent
- Last Name: Pina
- * REQUIRED* Type and Year of Model Ts owned: 1925 Tudor Sedan
- Location: Farmingdale
Re: Distributor and coil, vs. Coil boxes and timer
I have a quart of acetone in the tank and it looks like it's working on the varnish. Once I fill it with fresh gas, I should be able to crank her over.
-
- Posts: 2914
- Joined: Sun Jan 06, 2019 1:30 pm
- First Name: Dave
- Last Name: Hjortnaes
- * REQUIRED* Type and Year of Model Ts owned: 24 Speedster, 20 touring
- Location: Men Falls, WI
Re: Distributor and coil, vs. Coil boxes and timer
Vincent
go to www.texastparts.com and click on ignition system, then click on distributor, and you will find the instructions (6 pages)
go to www.texastparts.com and click on ignition system, then click on distributor, and you will find the instructions (6 pages)
-
- Posts: 7342
- Joined: Fri Jan 04, 2019 9:37 pm
- First Name: Steve
- Last Name: Jelf
- * REQUIRED* Type and Year of Model Ts owned: 1923 touring and a few projects
- Location: Parkerfield, Kansas
- Board Member Since: 2007
- Contact:
Re: Distributor and coil, vs. Coil boxes and timer
I wish those folks could have been with me all the times I was stuck by the side of the road with distributor trouble.Some think dizzies are more reliable.
The inevitable often happens.
1915 Runabout
1923 Touring
1915 Runabout
1923 Touring
-
Topic author - Posts: 251
- Joined: Tue Sep 29, 2020 8:01 pm
- First Name: Vincent
- Last Name: Pina
- * REQUIRED* Type and Year of Model Ts owned: 1925 Tudor Sedan
- Location: Farmingdale
Re: Distributor and coil, vs. Coil boxes and timer
Response from the real Steve Jelf? 
I'm in your corner. Most all of my classics run a stock ignition with points over more modern pertronix. I've had less problems.
If I could put it back to coil boxes, I would. It's already set up for dizzy so I'll give it a shot. If I run into problems, I'll switch it.
I'm in your corner. Most all of my classics run a stock ignition with points over more modern pertronix. I've had less problems.
If I could put it back to coil boxes, I would. It's already set up for dizzy so I'll give it a shot. If I run into problems, I'll switch it.
-
- Posts: 6896
- Joined: Sun Jan 06, 2019 7:21 pm
- First Name: Allan
- Last Name: Bennett
- * REQUIRED* Type and Year of Model Ts owned: 1912 van, 1917 shooting brake, 1929 roadster buckboard, 1924 tourer, 1925 barn find buckboard, 1925 D &F wide body roadster, 1927LHD Tudor sedan.
- Location: Gawler, Australia
Re: Distributor and coil, vs. Coil boxes and timer
I understand what Craig was trying to convey with his description of how to check the gear mesh on a distributor. What I can't get my head around is if you find it out somewhat, what can you do to fix/change it?
I suppose the cam gear can be shimmed in or out, but does that alter the out of mesh? Making sure the timing cover is properly centred might also alter the mesh if it is out. Otherwise it is a fit-it-and-hope situation.
Allan from down under.
I suppose the cam gear can be shimmed in or out, but does that alter the out of mesh? Making sure the timing cover is properly centred might also alter the mesh if it is out. Otherwise it is a fit-it-and-hope situation.
Allan from down under.
-
- Posts: 1979
- Joined: Tue Jan 08, 2019 12:22 am
- First Name: craig
- Last Name: leach
- * REQUIRED* Type and Year of Model Ts owned: 1919 Firetruck/1922 Speedster
- Location: Laveen Az
Re: Distributor and coil, vs. Coil boxes and timer
Hi Allan,
Dizzy's have somewhere between 12 & 16 teeth on the drive gear which is from 22.5 - 30 degrees of rotation. With the possible rotation of the
dizzy, linkage & adjustable arms (on some) it is just a matter of moving it one tooth if it's just a little out. I always center the timing cover.
Craig.
Dizzy's have somewhere between 12 & 16 teeth on the drive gear which is from 22.5 - 30 degrees of rotation. With the possible rotation of the
dizzy, linkage & adjustable arms (on some) it is just a matter of moving it one tooth if it's just a little out. I always center the timing cover.
Craig.
-
- Posts: 6896
- Joined: Sun Jan 06, 2019 7:21 pm
- First Name: Allan
- Last Name: Bennett
- * REQUIRED* Type and Year of Model Ts owned: 1912 van, 1917 shooting brake, 1929 roadster buckboard, 1924 tourer, 1925 barn find buckboard, 1925 D &F wide body roadster, 1927LHD Tudor sedan.
- Location: Gawler, Australia
Re: Distributor and coil, vs. Coil boxes and timer
Craig, you missed the point. Your solution resets the timing. It does nothing about the mesh of the gears. I have seen so many sets of badly worn/out of mesh gears on old distributor conversions but can see no way of improving the mesh.
Allan from down under.
Allan from down under.
-
- Posts: 1979
- Joined: Tue Jan 08, 2019 12:22 am
- First Name: craig
- Last Name: leach
- * REQUIRED* Type and Year of Model Ts owned: 1919 Firetruck/1922 Speedster
- Location: Laveen Az
Re: Distributor and coil, vs. Coil boxes and timer
Sorry Allan,
The term out somewhat threw me. If the gears are worn out there is not much can be done, but it doesn't take much to drive a dizzy if its in good shape bushing wise. the only friction is the points rubbing on the block. I have seen gears that had run a long time with only half the tooth depth
engaged because of a miss aligned cover or something. Bosch dizzies have a thin drive gear that does have to be spaced correctly to get a good
mesh. most of those have a plug that comes out the bottom so you can see the gears. When you look at some of the dizzies they are driven only
by the roller pin so there cant be to much load on the gears.
Craig.
The term out somewhat threw me. If the gears are worn out there is not much can be done, but it doesn't take much to drive a dizzy if its in good shape bushing wise. the only friction is the points rubbing on the block. I have seen gears that had run a long time with only half the tooth depth
engaged because of a miss aligned cover or something. Bosch dizzies have a thin drive gear that does have to be spaced correctly to get a good
mesh. most of those have a plug that comes out the bottom so you can see the gears. When you look at some of the dizzies they are driven only
by the roller pin so there cant be to much load on the gears.
Craig.