WTB Header plate

Post parts wanted or for sale here

Topic author
Mark Anderson
Posts: 32
Joined: Fri Jan 18, 2019 3:30 pm
First Name: Mark
Last Name: Anderson
Location: Stratford Iowa

WTB Header plate

Post by Mark Anderson » Tue Oct 03, 2023 5:20 pm

Is anyone making header plates anymore. Does someone have dimensions for one? Thanks..

User avatar

Craig Leach
Posts: 2021
Joined: Tue Jan 08, 2019 12:22 am
First Name: craig
Last Name: leach
* REQUIRED* Type and Year of Model Ts owned: 1919 Firetruck/1922 Speedster
Location: Laveen Az

Re: WTB Header plate

Post by Craig Leach » Tue Oct 03, 2023 5:58 pm

Hi Mark,
See the post Question about header/intake maifold plate from may26, 2022 7:49am should give you the dimentions you need.
Craig

User avatar

JH1427
Posts: 101
Joined: Mon Jan 07, 2019 8:26 am
First Name: Jerome
Last Name: Hoffman
* REQUIRED* Type and Year of Model Ts owned: 1924 Touring, 1924 Roadster, 1923 Speedster, 1923 Racer, 1921 TT Wood Cab
Location: Hays, Kansas USA
MTFCA Life Member: YES
Board Member Since: 1999

Re: WTB Header plate

Post by JH1427 » Tue Oct 03, 2023 10:09 pm

What type are you looking for? I make several different plates. Let me know what you are look for. J
model_t@swbell.net
Projects: 1916 Speedster - Dec 15', 1921 TT Wood Cab and Bed, 1923 Racer ( My dad's), 1923 Speedster (started in HS)
1924 Roadster - Dec 23' (eBay) and 1924 Touring - June 24' ( Dad's Car been in the family since 1948)

User avatar

TRDxB2
Posts: 6553
Joined: Tue Jan 08, 2019 4:56 pm
First Name: Frank
Last Name: Brandi
* REQUIRED* Type and Year of Model Ts owned: Speedsters (1919 w 1926 upgrades), 1926 (Ricardo Head)
Location: Moline IL
Board Member Since: 2018

Re: WTB Header plate

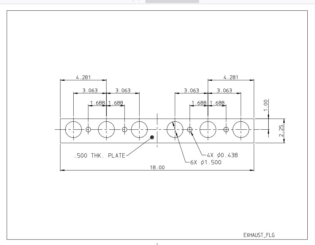
Post by TRDxB2 » Wed Oct 04, 2023 12:05 pm

Here's one....
--
flange.jpg
--
Bought this for T intake.jpg
--
--
Some other info
--
Secrets of Speed all.jpg
--
Lakester kit.jpg
--
old school someone had on eBay
--
Attachments
headr 1.jpg
The past is a great place and I don't want to erase it or to regret it, but I don't want to be its prisoner either.
Mick Jagger


Topic author
Mark Anderson
Posts: 32
Joined: Fri Jan 18, 2019 3:30 pm
First Name: Mark
Last Name: Anderson
Location: Stratford Iowa

Re: WTB Header plate

Post by Mark Anderson » Wed Oct 04, 2023 2:04 pm

Thanks Guys!!

User avatar

TRDxB2
Posts: 6553
Joined: Tue Jan 08, 2019 4:56 pm
First Name: Frank
Last Name: Brandi
* REQUIRED* Type and Year of Model Ts owned: Speedsters (1919 w 1926 upgrades), 1926 (Ricardo Head)
Location: Moline IL
Board Member Since: 2018

Re: WTB Header plate

Post by TRDxB2 » Wed Oct 04, 2023 8:49 pm

Mark Anderson wrote:
Tue Oct 03, 2023 5:20 pm
Is anyone making header plates anymore. Does someone have dimensions for one? Thanks..
Chaffin's Garage was making them https://www.chaffinsgarage.com/
The past is a great place and I don't want to erase it or to regret it, but I don't want to be its prisoner either.
Mick Jagger

Post Reply Previous topicNext topic