WTB Tubular Exhaust Header

Post parts wanted or for sale here

Topic author
got10carz
Posts: 600
Joined: Sun Jan 06, 2019 6:37 pm
First Name: Steve
Last Name: Meixner
* REQUIRED* Type and Year of Model Ts owned: 1911,13,14,19,23,25,26,27
Location: Moorhead MN

WTB Tubular Exhaust Header

Post by got10carz » Wed Mar 06, 2024 9:38 pm

Wanted to buy. Tubular exhaust header for flathead T engine. Chickasha PU preferred. Steve 701 212 5009.


tman1913
Posts: 77
Joined: Sun Jan 06, 2019 12:30 pm
First Name: Mike
Last Name: Bender
* REQUIRED* Type and Year of Model Ts owned: 1913 Canadian touring, 1924 Roadster, 1926 Mercury speedster, 1927 Roadster p/u, 1920’s bobtail dirt track racer
Location: Tulsa OK

Re: WTB Tubular Exhaust Header

Post by tman1913 » Wed Mar 06, 2024 10:35 pm

Got your email. Sorry can’t help you.
Mike Bender


ModelTWoods
Posts: 1578
Joined: Tue Jan 08, 2019 10:53 am
First Name: Terry
Last Name: Woods
* REQUIRED* Type and Year of Model Ts owned: 1927 Model T coupe, 1926 4 door sedan
Location: Cibolo (San Antonio), TX

Re: WTB Tubular Exhaust Header

Post by ModelTWoods » Thu Mar 07, 2024 12:11 am

Steve, You're probably going to have to make your own, or have someone make one for you, UNLESS you can find someone who will part with their header, and even then it may, or may not, fit or be to your liking. If you decide to make your own. I have one of the "make your own" header plates that vendor's used to sell, but isn't sold anymore. The one they sell now is an adapter plate from a T block to an A intake manifold.

User avatar

TRDxB2
Posts: 6573
Joined: Tue Jan 08, 2019 4:56 pm
First Name: Frank
Last Name: Brandi
* REQUIRED* Type and Year of Model Ts owned: Speedsters (1919 w 1926 upgrades), 1926 (Ricardo Head)
Location: Moline IL
Board Member Since: 2018

Re: WTB Tubular Exhaust Header

Post by TRDxB2 » Thu Mar 07, 2024 1:47 am

got10carz wrote:
Wed Mar 06, 2024 9:38 pm
Wanted to buy. Tubular exhaust header for flathead T engine. Chickasha PU preferred. Steve 701 212 5009.
Here are some ideas from a previous discussion
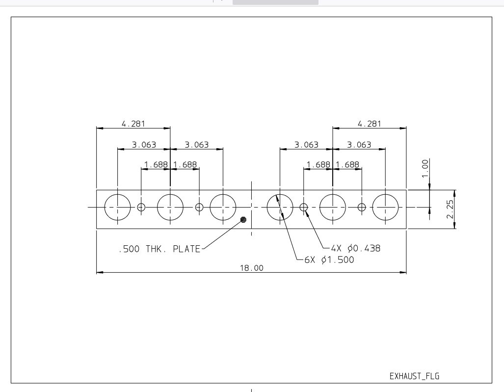
Some flanges available but not as thick
flange.jpg
--
--
Secrets of Speed all.jpg
--
--
Lake style header - buy and make two, sell one
Older add from Speedway
Lakester kit.jpg
--
--
I've wondered if this Model A would work - not sure if the kit is still available but they also weld & fabricate
https://www.hellsgatehotrods.com/shop/f ... eader-kit/
Hells gate kit.png
The past is a great place and I don't want to erase it or to regret it, but I don't want to be its prisoner either.
Mick Jagger


ModelTWoods
Posts: 1578
Joined: Tue Jan 08, 2019 10:53 am
First Name: Terry
Last Name: Woods
* REQUIRED* Type and Year of Model Ts owned: 1927 Model T coupe, 1926 4 door sedan
Location: Cibolo (San Antonio), TX

Re: WTB Tubular Exhaust Header

Post by ModelTWoods » Thu Mar 07, 2024 1:36 pm

Red's Headers in California, at one time made a bolt on header specifically for T engines, but discontinued them due to low sales and demand. They still make A and flathead headers. I inquired about the T headers a year or two ago, and they didn't give me much hope of ever seeing new production.

User avatar

TRDxB2
Posts: 6573
Joined: Tue Jan 08, 2019 4:56 pm
First Name: Frank
Last Name: Brandi
* REQUIRED* Type and Year of Model Ts owned: Speedsters (1919 w 1926 upgrades), 1926 (Ricardo Head)
Location: Moline IL
Board Member Since: 2018

Re: WTB Tubular Exhaust Header

Post by TRDxB2 » Thu Mar 07, 2024 2:35 pm

Since the suppliers sell and adapter plate to fit the Model A intake & exhaust to a Model T. I would expect that the Model A/B key above would work.
Attachments
adaptor plate.png
The past is a great place and I don't want to erase it or to regret it, but I don't want to be its prisoner either.
Mick Jagger

Post Reply Previous topicNext topic