help deciding about holes on cross member

Discuss all things Model T related.
Forum rules
If you need help logging in, or have question about how something works, use the Support forum located here Support Forum
Complete set of Forum Rules Forum Rules

Topic author
NY John T
Posts: 437
Joined: Wed Nov 25, 2020 12:45 pm
First Name: John
Last Name: Killelea
* REQUIRED* Type and Year of Model Ts owned: 1926 Touring, 1927 Tudor, 1925 Touring
Location: Northport NY
Board Member Since: 2020

help deciding about holes on cross member

Post by NY John T » Thu Dec 24, 2020 12:43 pm

Hi All,
Happy Holidays to all. I'm fixing my 26 front cross member and I'm wondering about the holes on either side of the square hole used for the spring bolt.
1. what's the purpose and are they original?
2. should I weld up the holes? Will that weaken the steel?
3 was there a piece of metal on the top of the crossmember (top plate?) which covered the holes? I've seen some shots of crossmembers which "seem" to have a piece of metal there; and there are indications of the edges wearing into the cross member. This front end has 11 springs (don't know why), but maybe the thickness was the reason for removing the "top plate"
Anyway, the main reason for my inquiry is: should I weld up the extra holes?
Thanks again,
John
cross member wide shot.jpg
cross member close shot.jpg

User avatar

TRDxB2
Posts: 6395
Joined: Tue Jan 08, 2019 4:56 pm
First Name: Frank
Last Name: Brandi
* REQUIRED* Type and Year of Model Ts owned: Speedsters (1919 w 1926 upgrades), 1926 (Ricardo Head)
Location: Moline IL
Board Member Since: 2018

Re: help deciding about holes on cross member

Post by TRDxB2 » Thu Dec 24, 2020 12:55 pm

Out of curiosity what does your front spring clip look like. Maybe something was done to secure a broken clip
Attachments
sclip.jpg
The past is a great place and I don't want to erase it or to regret it, but I don't want to be its prisoner either.
Mick Jagger

User avatar

Rich Eagle
Posts: 6895
Joined: Fri Jan 04, 2019 10:51 am
First Name: Richard
Last Name: Eagle
* REQUIRED* Type and Year of Model Ts owned: 1909 TR 1914 TR 1915 Rd 1920 Spdstr 1922 Coupe 1925 Tudor
Location: Idaho Falls, ID

Re: help deciding about holes on cross member

Post by Rich Eagle » Thu Dec 24, 2020 1:24 pm

This is from a Ken Findlay photo a few years back. I don't remember seeing holes there before.
Findlay.jpg
Rich
When did I do that?


Topic author
NY John T
Posts: 437
Joined: Wed Nov 25, 2020 12:45 pm
First Name: John
Last Name: Killelea
* REQUIRED* Type and Year of Model Ts owned: 1926 Touring, 1927 Tudor, 1925 Touring
Location: Northport NY
Board Member Since: 2020

Re: help deciding about holes on cross member

Post by NY John T » Thu Dec 24, 2020 1:57 pm

TRD:
My spring clip is exactly like the one on the right.

User avatar

Steve Jelf
Posts: 7347
Joined: Fri Jan 04, 2019 9:37 pm
First Name: Steve
Last Name: Jelf
* REQUIRED* Type and Year of Model Ts owned: 1923 touring and a few projects
Location: Parkerfield, Kansas
Board Member Since: 2007
Contact:

Re: help deciding about holes on cross member

Post by Steve Jelf » Thu Dec 24, 2020 2:01 pm

IMG_0253.JPG
NOS
The inevitable often happens.
1915 Runabout
1923 Touring


Topic author
NY John T
Posts: 437
Joined: Wed Nov 25, 2020 12:45 pm
First Name: John
Last Name: Killelea
* REQUIRED* Type and Year of Model Ts owned: 1926 Touring, 1927 Tudor, 1925 Touring
Location: Northport NY
Board Member Since: 2020

Re: help deciding about holes on cross member

Post by NY John T » Thu Dec 24, 2020 2:18 pm

Steve:
Thanks for that photo. I've seen it before. What looks like what I'll call "nubs" are in the positions of the holes on my crossmember. Here's a possible scenario:
There was a plate that was located on top of the crossmember and used the "nubs" to position it. Then this axle had more springs added and the spring bolt didn't fit. They therefore removed the "top plate" (if there was one) and drilled out the "nubs".
Sound logical everybody?
So in the NOS crossmember there are no holes.
Therefore I think I will weld up the holes. Unless someone else chimes in with a different theory.
Thanks all for your help.
John

User avatar

Steve Jelf
Posts: 7347
Joined: Fri Jan 04, 2019 9:37 pm
First Name: Steve
Last Name: Jelf
* REQUIRED* Type and Year of Model Ts owned: 1923 touring and a few projects
Location: Parkerfield, Kansas
Board Member Since: 2007
Contact:

Re: help deciding about holes on cross member

Post by Steve Jelf » Thu Dec 24, 2020 3:01 pm

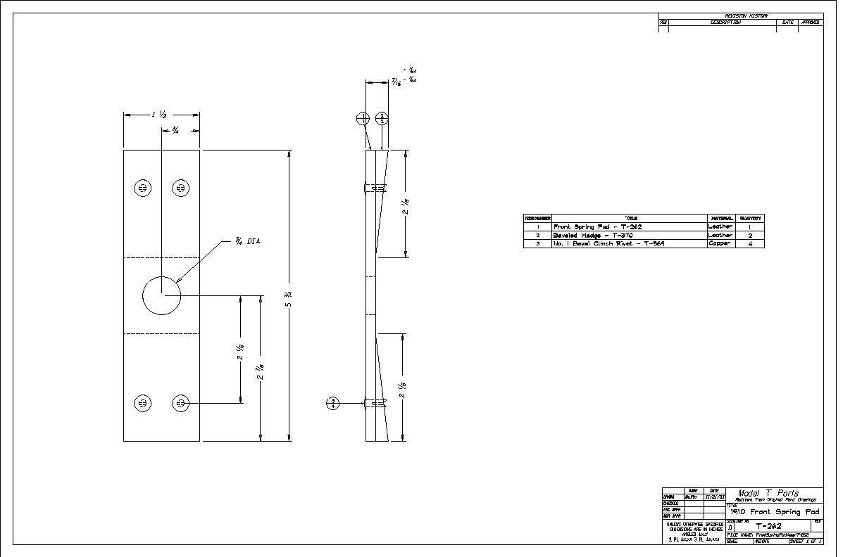
28 PARTS 10.jpg
There's no "top plate", but there is a pad (#3823, Page 24) that goes on top of the spring.


IMG_0851.JPG
Originally it was leather, but some make it from rubber (an old tire).
The inevitable often happens.
1915 Runabout
1923 Touring


Topic author
NY John T
Posts: 437
Joined: Wed Nov 25, 2020 12:45 pm
First Name: John
Last Name: Killelea
* REQUIRED* Type and Year of Model Ts owned: 1926 Touring, 1927 Tudor, 1925 Touring
Location: Northport NY
Board Member Since: 2020

Re: help deciding about holes on cross member

Post by NY John T » Thu Dec 24, 2020 4:03 pm

Thanks Steve. Great help. So my next question is:
In the shot of the NOS crossmember you can see two "nubs"/"nipples" next to the square hole. Would the purpose of these "nubs" be to help locate precisely where the spring clip goes? Kinds seems like it to me.
Anybody have any thoughts?
John


bulman
Posts: 7
Joined: Sun Jan 06, 2019 10:59 pm
First Name: gary
Last Name: baker
* REQUIRED* Type and Year of Model Ts owned: 1926 coupe
Location: wolcott,ny.

Re: help deciding about holes on cross member

Post by bulman » Thu Dec 24, 2020 4:34 pm

Hi; On my 26 coupe the nubs fit into detents in the spring plate to locate it.


Topic author
NY John T
Posts: 437
Joined: Wed Nov 25, 2020 12:45 pm
First Name: John
Last Name: Killelea
* REQUIRED* Type and Year of Model Ts owned: 1926 Touring, 1927 Tudor, 1925 Touring
Location: Northport NY
Board Member Since: 2020

Re: help deciding about holes on cross member

Post by NY John T » Thu Dec 24, 2020 4:42 pm

Thanks all,
I think I figured it out. The "nubs", which are missing, would have fit against the edge of the spring plate above it. I just wonder why someone would drill them out... Any way, here's a shot of my cross member and spring plate. You can see that the missing nubs would have lined up with the spring plate and would have helped to locate it. Maybe this is why the cross member was cracked and wobbled and everything is out of alignment with warn shackles. Maybe I should weld on new nubs?
John
underside crossmember.jpg

User avatar

Mark Gregush
Posts: 5438
Joined: Sat Jan 05, 2019 1:57 pm
First Name: Mark
Last Name: Gregush
* REQUIRED* Type and Year of Model Ts owned: 1925 cutdown PU, 1948 F2 Ford flat head 6 pickup 3 speed
Location: Portland Or
Board Member Since: 1999

Re: help deciding about holes on cross member

Post by Mark Gregush » Thu Dec 24, 2020 5:03 pm

Rubber tire piece is nice, but it is going to be too thick. I am thinking it only should be about 1/8" thick, it is an anti-squeak pad.
I know the voices aren't real but damn they have some good ideas! :shock:

1925 Cut down pickup
1948 Ford F2 pickup

User avatar

TRDxB2
Posts: 6395
Joined: Tue Jan 08, 2019 4:56 pm
First Name: Frank
Last Name: Brandi
* REQUIRED* Type and Year of Model Ts owned: Speedsters (1919 w 1926 upgrades), 1926 (Ricardo Head)
Location: Moline IL
Board Member Since: 2018

Re: help deciding about holes on cross member

Post by TRDxB2 » Thu Dec 24, 2020 5:19 pm

Not sure about where you got the frame. But it looks similar to a Model A. Maybe someone put an A engine on the frame? But I understand other modes were necessary to do that. Is the hole for the spring bolt larger than the head of the bolt?
Attachments
Original-19301931-Ford-Model-A-Frame-Front-Crossmember.jpg
The past is a great place and I don't want to erase it or to regret it, but I don't want to be its prisoner either.
Mick Jagger

User avatar

TFan
Posts: 398
Joined: Sun Jan 06, 2019 2:24 pm
First Name: Jim
Last Name: Riedy
* REQUIRED* Type and Year of Model Ts owned: 26 Roadster
Location: Sandusky,Ohio
Board Member Since: 2005

Re: help deciding about holes on cross member

Post by TFan » Thu Dec 24, 2020 5:22 pm

This is from the forum a few years ago, it says 1910 but may still be the same in later years. Jim
50103.jpg
Back road kinda guy stuck on the freeway of life.

User avatar

Steve Jelf
Posts: 7347
Joined: Fri Jan 04, 2019 9:37 pm
First Name: Steve
Last Name: Jelf
* REQUIRED* Type and Year of Model Ts owned: 1923 touring and a few projects
Location: Parkerfield, Kansas
Board Member Since: 2007
Contact:

Re: help deciding about holes on cross member

Post by Steve Jelf » Thu Dec 24, 2020 8:53 pm

John, looking at your second picture you can see the remains of the "bump" to the left of the center hole. I see two choices for you: 1 install a new cross member; 2 fill those holes and weld on new bumps positioned to fit the outside ends of the spring clip recesses so the clip can't slip to either side.
The inevitable often happens.
1915 Runabout
1923 Touring


Topic author
NY John T
Posts: 437
Joined: Wed Nov 25, 2020 12:45 pm
First Name: John
Last Name: Killelea
* REQUIRED* Type and Year of Model Ts owned: 1926 Touring, 1927 Tudor, 1925 Touring
Location: Northport NY
Board Member Since: 2020

Re: help deciding about holes on cross member

Post by NY John T » Thu Dec 24, 2020 9:38 pm

Hi Steve. That's what I'm planning on doing. Welding shut the two holes and adding bumps/nubs where they will keep the cross member from shifting. Apparently this cross member did shift. So much that the square bolt hole was only square on three sides. The bolt is a round head bolt; maybe from being slid around a bit. Or maybe they only had a round head leaf spring bolt. You'll note that I'm in the process of making the opening square again. Looks like I'll have a bit of measuring to do to get the nubs in the correct position.
Thanks folks.
John


Norman Kling
Posts: 4684
Joined: Tue Jan 08, 2019 1:39 pm
First Name: Norman
Last Name: Kling
Location: Alpine California

Re: help deciding about holes on cross member

Post by Norman Kling » Thu Dec 24, 2020 9:39 pm

There should be no problem with centering the spring and the spring holder. The square bolt at the top of the spring should fit right into the hole in the crossmember. The pad should be thin enough to allow that bolt head to fit into the square hole. The plate bolted to the bottom of the spring has a hole in it through which the bottom of the spring center bolt with nut fits, so that would center the plate. The top of the spring holder has the hole for the front bearing on the engine through which the crank fits and the little hole below the crank is for a screw in the center of the front splash apron. You should tighten the nuts under the spring and install the cotter pins and everything should remain in place. those two holes drilled right and left of the center bolt are not for a Model T. Maybe TRD is right. It looks like someone installed a Model A front motor mount.
Norm

Post Reply Previous topicNext topic