Generator Wire

Discuss all things Model T related.
Forum rules
If you need help logging in, or have question about how something works, use the Support forum located here Support Forum
Complete set of Forum Rules Forum Rules

Topic author
BLB27
Posts: 892
Joined: Thu Jul 23, 2020 9:28 pm
First Name: Bruce
Last Name: Brakke
* REQUIRED* Type and Year of Model Ts owned: 1927 coupe
Location: Ames, Iowa

Generator Wire

Post by BLB27 » Tue Apr 25, 2023 11:44 pm

What is the size of the generator wire?

User avatar

TRDxB2
Posts: 6543
Joined: Tue Jan 08, 2019 4:56 pm
First Name: Frank
Last Name: Brandi
* REQUIRED* Type and Year of Model Ts owned: Speedsters (1919 w 1926 upgrades), 1926 (Ricardo Head)
Location: Moline IL
Board Member Since: 2018

Re: Generator Wire

Post by TRDxB2 » Wed Apr 26, 2023 12:46 am

BLB27 wrote:
Tue Apr 25, 2023 11:44 pm
What is the size of the generator wire?
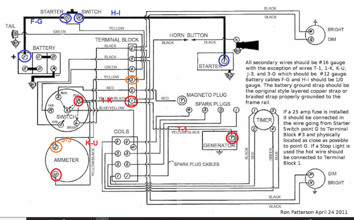
12ga click on image to make it larger & less blurry
Attachments
26-27 color coded diagram.jpg
The past is a great place and I don't want to erase it or to regret it, but I don't want to be its prisoner either.
Mick Jagger


Topic author
BLB27
Posts: 892
Joined: Thu Jul 23, 2020 9:28 pm
First Name: Bruce
Last Name: Brakke
* REQUIRED* Type and Year of Model Ts owned: 1927 coupe
Location: Ames, Iowa

Re: Generator Wire

Post by BLB27 » Wed Apr 26, 2023 12:57 am

I "think" I found it in Frank's April 17 post responding to my April 15 Horning Wiring post. It is a #16, unless it is one of the exceptions noted. I can't find where the exceptions are "T-1, 1-K, K-U etc." are identified.

Thanks, Frank.


Topic author
BLB27
Posts: 892
Joined: Thu Jul 23, 2020 9:28 pm
First Name: Bruce
Last Name: Brakke
* REQUIRED* Type and Year of Model Ts owned: 1927 coupe
Location: Ames, Iowa

Re: Generator Wire

Post by BLB27 » Wed Apr 26, 2023 1:04 am

Frank, I sent my last note before I saw yours!

I was looking at the paragraph in the upper right hand corner of the diagram above the one you just referred to. Where are the T-1, 1-K, etc. shown?

User avatar

TRDxB2
Posts: 6543
Joined: Tue Jan 08, 2019 4:56 pm
First Name: Frank
Last Name: Brandi
* REQUIRED* Type and Year of Model Ts owned: Speedsters (1919 w 1926 upgrades), 1926 (Ricardo Head)
Location: Moline IL
Board Member Since: 2018

Re: Generator Wire

Post by TRDxB2 » Wed Apr 26, 2023 1:58 am

BLB27 wrote:
Wed Apr 26, 2023 1:04 am
Frank, I sent my last note before I saw yours!

I was looking at the paragraph in the upper right hand corner of the diagram above the one you just referred to. Where are the T-1, 1-K, etc. shown?
They are not exceptions - just hard to see click on the image to enlarge The H-I makes the capital I look like a 1
Attachments
GA explained.png
The past is a great place and I don't want to erase it or to regret it, but I don't want to be its prisoner either.
Mick Jagger


Topic author
BLB27
Posts: 892
Joined: Thu Jul 23, 2020 9:28 pm
First Name: Bruce
Last Name: Brakke
* REQUIRED* Type and Year of Model Ts owned: 1927 coupe
Location: Ames, Iowa

Re: Generator Wire

Post by BLB27 » Wed Apr 26, 2023 10:42 am

Frank, Thanks again. I now understand what the H-I, k-U, etc. mean!

Post Reply Previous topicNext topic