FOUND Header Plate or Drawing
Forum rules
If you need help logging in, or have question about how something works, use the Support forum located here Support Forum
Complete set of Forum Rules Forum Rules
If you need help logging in, or have question about how something works, use the Support forum located here Support Forum
Complete set of Forum Rules Forum Rules
-
henryford2
Topic author - Posts: 826
- Joined: Sun Jan 06, 2019 4:14 pm
- First Name: Joseph
- Last Name: Andulics
- * REQUIRED* Type and Year of Model Ts owned: 1926 Fordor, 1926 Truck, 1927 Roadster GOW, RAJO Sprint car
- Location: North Ridgeville, OH
- Contact:
FOUND Header Plate or Drawing
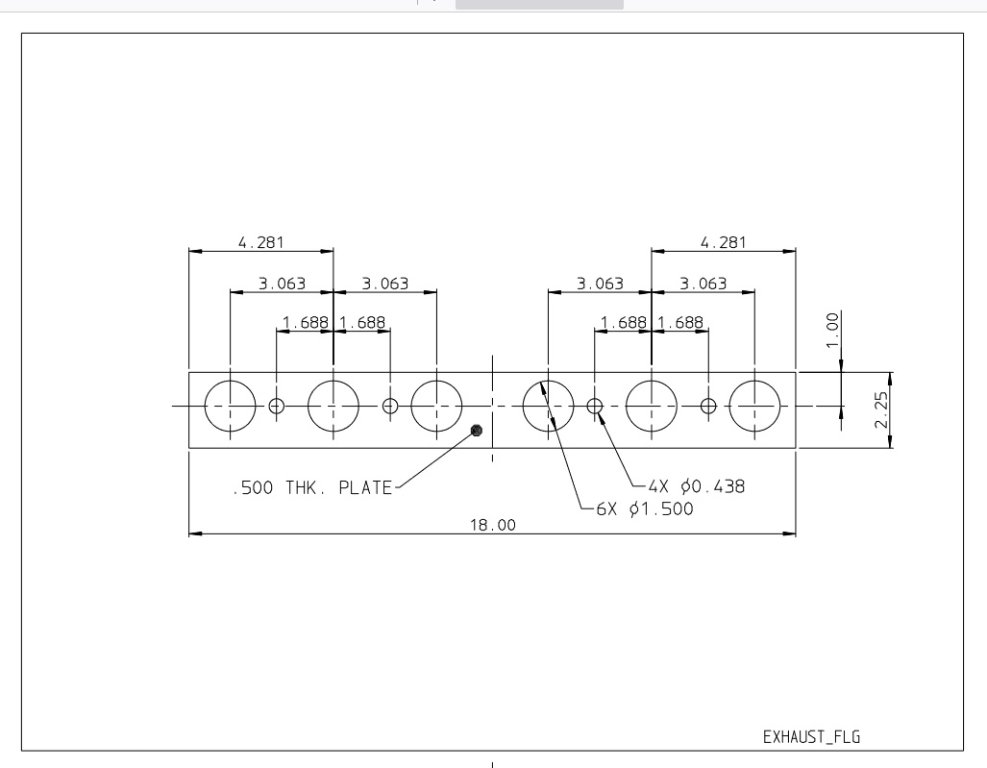
Is anyone making a header plate or have accurate drawings they would be willing to share? Not a plate to adapt the Model A manifolds to the block but one where I can build a set of headers. There was a PDF posted a while back for one, but there was a conflict in some of the dimensions? If not, I'll have to stop being lazy and make my own, but there are only so many hours in the day. Thanks
Last edited by henryford2 on Mon Apr 25, 2022 2:36 pm, edited 1 time in total.
-
Kevin Pharis
- Posts: 1640
- Joined: Thu Jan 10, 2019 3:54 pm
- First Name: Kevin
- Last Name: Pharis
- Location: Sacramento CA
- Contact:
Re: Header Plate or Drawing
I’ve got a 1/2” thick plate laying around for a T flathead. If I remember right, it was bored 1.625” for exhaust tube and 1.500” intake. I will dig it up and post pics later...
-
TRDxB2
- Posts: 6538
- Joined: Tue Jan 08, 2019 4:56 pm
- First Name: Frank
- Last Name: Brandi
- * REQUIRED* Type and Year of Model Ts owned: Speedsters (1919 w 1926 upgrades), 1926 (Ricardo Head)
- Location: Moline IL
- Board Member Since: 2018
Re: Header Plate or Drawing
henryford2 wrote: ↑Sat Apr 23, 2022 7:39 pmIs anyone making a header plate or have accurate drawings they would be willing to share? Not a plate to adapt the Model A manifolds to the block but one where I can build a set of headers. There was a PDF posted a while back for one, but there was a conflict in some of the dimensions? If not, I'll have to stop being lazy and make my own, but there are only so many hours in the day. Thanks
The past is a great place and I don't want to erase it or to regret it, but I don't want to be its prisoner either.
Mick Jagger
Mick Jagger
-
Craig Leach
- Posts: 2013
- Joined: Tue Jan 08, 2019 12:22 am
- First Name: craig
- Last Name: leach
- * REQUIRED* Type and Year of Model Ts owned: 1919 Firetruck/1922 Speedster
- Location: Laveen Az
Re: Header Plate or Drawing
Hi Joseph,
I have made my own and bought one from Mark Chaffin. If the one Bob has is or is like the ones Mark makes save yourself some time and buy it. I have found that a good supplier for tubing & bends is to order J tubes for VW's they are the right size and give you a tight 180* bend to work with.
Craig.
I have made my own and bought one from Mark Chaffin. If the one Bob has is or is like the ones Mark makes save yourself some time and buy it. I have found that a good supplier for tubing & bends is to order J tubes for VW's they are the right size and give you a tight 180* bend to work with.
Craig.
-
henryford2
Topic author - Posts: 826
- Joined: Sun Jan 06, 2019 4:14 pm
- First Name: Joseph
- Last Name: Andulics
- * REQUIRED* Type and Year of Model Ts owned: 1926 Fordor, 1926 Truck, 1927 Roadster GOW, RAJO Sprint car
- Location: North Ridgeville, OH
- Contact:
Re: Header Plate or Drawing
Do you know the diameter of the J-tube? I've normally bought my bends from Summit or Jegs. Thanks
-
Kevin Pharis
- Posts: 1640
- Joined: Thu Jan 10, 2019 3:54 pm
- First Name: Kevin
- Last Name: Pharis
- Location: Sacramento CA
- Contact:
Re: Header Plate or Drawing
Sent you an email Joe
I made a few a while back, and set the tube centers at 7/8” from the top to prevent the plate from sitting on the edge of the head gasket.
I made a few a while back, and set the tube centers at 7/8” from the top to prevent the plate from sitting on the edge of the head gasket.
-
Craig Leach
- Posts: 2013
- Joined: Tue Jan 08, 2019 12:22 am
- First Name: craig
- Last Name: leach
- * REQUIRED* Type and Year of Model Ts owned: 1919 Firetruck/1922 Speedster
- Location: Laveen Az
Re: Header Plate or Drawing
Hi Joseph,
J tubes are 1 1/2" and have a reduced end about 2" long that's O.D. fit's the I.D. the bends are about a 2 1/2" radius and the straight part is 11" long.
The last 2 pairs I purchased where very inexpensive but have some die marks in the radius. I cut the tube off at the transition of the two sizes and the reduction makes it easy to weld inside the flange.
Craig.
J tubes are 1 1/2" and have a reduced end about 2" long that's O.D. fit's the I.D. the bends are about a 2 1/2" radius and the straight part is 11" long.
The last 2 pairs I purchased where very inexpensive but have some die marks in the radius. I cut the tube off at the transition of the two sizes and the reduction makes it easy to weld inside the flange.
Craig.
-
henryford2
Topic author - Posts: 826
- Joined: Sun Jan 06, 2019 4:14 pm
- First Name: Joseph
- Last Name: Andulics
- * REQUIRED* Type and Year of Model Ts owned: 1926 Fordor, 1926 Truck, 1927 Roadster GOW, RAJO Sprint car
- Location: North Ridgeville, OH
- Contact:
Re: FOUND Header Plate or Drawing
Found what I needed, thanks for the help
-
Allan
- Posts: 7127
- Joined: Sun Jan 06, 2019 7:21 pm
- First Name: Allan
- Last Name: Bennett
- * REQUIRED* Type and Year of Model Ts owned: 1912 van, 1917 shooting brake, 1929 roadster buckboard, 1924 tourer, 1925 barn find buckboard, 1925 D &F wide body roadster, 1927LHD Tudor sedan.
- Location: Gawler, Australia
Re: FOUND Header Plate or Drawing
No one has mention tubular donuts. When I built the header for my speedster I made all the bends with donut sections. The length of the bend can be cut wherever the design dictates, and the bend linked with straight sections of exhaust pipes. To help keep things in place, the header plate was drilled so that the pipes could pass through them and the short intrusion acted as the gland ring does in a standard T set-up.
Allan from down under.
Allan from down under.
-
Kevin Pharis
- Posts: 1640
- Joined: Thu Jan 10, 2019 3:54 pm
- First Name: Kevin
- Last Name: Pharis
- Location: Sacramento CA
- Contact:
Re: FOUND Header Plate or Drawing
The donuts are great as they are typically made in a radius too tight to bend. The advantage to U or J bends is that you have only 1 weld tangent to each bend, effectively half as much welding. J bends provide longer straight sections than U bends on one leg, and can help either reduce the number of welds... or increase the number of short straight scraps
I always bore the header plates to the full tube diameter and all the way thru. Push the tube about 1/8” short of the engine side of the plate, and weld with large hot bead. This bead gets ground flat to the plate, and internal diameter if needed. Opposite side gets a few small 3-4 bead tack welds with the TIG welded to support the tube and prevent welds from cracking. I have also seen silver solder used to braze the tubes after welding for maximum resistance to cracking
I always bore the header plates to the full tube diameter and all the way thru. Push the tube about 1/8” short of the engine side of the plate, and weld with large hot bead. This bead gets ground flat to the plate, and internal diameter if needed. Opposite side gets a few small 3-4 bead tack welds with the TIG welded to support the tube and prevent welds from cracking. I have also seen silver solder used to braze the tubes after welding for maximum resistance to cracking
-
henryford2
Topic author - Posts: 826
- Joined: Sun Jan 06, 2019 4:14 pm
- First Name: Joseph
- Last Name: Andulics
- * REQUIRED* Type and Year of Model Ts owned: 1926 Fordor, 1926 Truck, 1927 Roadster GOW, RAJO Sprint car
- Location: North Ridgeville, OH
- Contact:
Re: FOUND Header Plate or Drawing
I'm actually going with a style that is going to require very few bends.
This is the one I did for the Rajo, much more work!